氧氣流量計廠家,氧氣流量計量表
點擊次數:2607 發布時間:2020-11-06 09:37:20
氧氣流量計概述

氧氣流量計的主要特點
1、儀表整體結構設計合理,動態測量范圍寬,壓力損失小;
2、儀表主體可采用不銹鋼材質制造,適用于腐蝕性介質的測量;
3、渦街流量計無可動部件,安裝維護簡單;
4、現場液晶顯示,脈沖、4~20mA 輸出或485 串行通訊接口,可與工業自動化系統連接;
5、電氣接口:內螺紋 M20×1.5;
6、防爆等級標志:iaIICT2~T6;
7、防護等級:IP65;
8、供電電源:內置電源(3.6V 電池),外供電源12VDC、24VDC;
9、測量介質*高溫度:350℃;
10、工作環境溫度:-30℃~+55℃;(壓力補償時為0℃~+55℃)
11、工作壓力:1.6MPa、2.5MPa、4MPa、6 MPa、10MPa、16MPa、20MPa、25MPa、30MPa、40MPa;
12、準確度:0.5 級、1.0 級、1.5 級。
13、公稱通徑:
卡裝式渦街流量計:DN10、DN15、DN20、DN25、DN32、DN40、DN50、DN65、DN80、DN100、DN125、DN150、DN200、DN250、DN300;
插入式渦街流量計:DN350、DN400、DN450、DN500、DN550、DN600、DN700、DN800、DN900、DN1000 等;
法蘭式渦街流量計:DN15、DN20、DN25、DN32、DN40、DN50、DN65、DN80、DN100、DN125、DN150、DN200、DN250、DN300。
14、規格:
1)螺紋式、卡裝式、法蘭式:DN10~DN32。
2)卡裝式、法蘭式:DN40~DN300。
3)插入式:DN350~DN1000。

氧氣流量計參數
1、測量介質:氣體、液體、蒸汽
2、連接方式:法蘭卡裝式、法蘭式、插入式
3、口徑規格:法蘭卡裝式口徑選擇 25,32,50,80,100
4、法蘭連接式口徑選擇:100,150,200
5、流量測量范圍:正常測量流速范圍 雷諾數1.5×104~4×106;氣體5~50m/s;液體0.5~7m/s;
6、測量精度:1.0級 1.5級
7、被測介質溫度:常溫–25℃~100℃,高溫–25℃~150℃ -25℃~250℃
8、輸出信號:脈沖電壓輸出信號 高電平8~10V 低電平0.7~1.3V
9、脈沖占空比約50%,傳輸距離為100m
10、脈沖電流遠傳信號:4~20 mA,傳輸距離為1000m
11、儀表使用環境 溫度:-25℃~+55℃ 濕度:5~90% RH50℃
12、材質:不銹鋼, 鋁合金
13、電源:DC24V或鋰電池3.6V
14、防爆等級:本安型iaIIbT3-T6,
15、防護等級:IP65
氧氣流量計選型說明
正確的選用渦街流量計是保證用好渦街流量計的前提條件,需要考慮重要因素:通經(DN)、安裝方式、介質溫度、輸出信號、介質種類
注意事項
1、在流量計上下游提供足夠的直管段并確保非彎曲的對稱外形。盡可能在儀表下游安裝閥門。
2、豎直安裝通常是優先選擇的,向上游動的流體能確保儀表總是滿管,且介質中的成分能夠均勻分布。
3、在易于振動的長管路中進行安裝時,應在流量計的上下游安裝消除器。
4、對于氣的應用,儀表安裝應避免安裝在U形彎底部,避免因吸收冷凝而在開車時導致的水錘現象,水錘的強度導致傳感機構過分受力,致使傳感器永久損壞。
5、面對如此眾多品種的渦街流量計,對于一般用戶選型成了一個難題。如何科學地、客觀地選出*好的渦街流量計是需要關注的一個問題。我們認為選型應當遵循適當的規則,盡量避免廠商的誤導宣傳,為自己找到一種恰到好處的渦街流量計,它就是自己的理想流量計。
選型可按五個方面進行:渦街流量計性能方面、流體特性方面、安裝條件方面、環境條件方面和經濟因素方面。各方面的考慮因素如下:
1.流量計性能方面:精確度、重復性、線性度、范圍度、壓力損失、上下限流量、信號輸出特性、響應時間等;
2.流量計流體特性方面:流體壓力、溫度、密度、粘度、潤滑性、化學性質、磨損、腐蝕、結垢、臟污、氣體壓縮系數、等熵指數、比熱容、電導率、聲速、混相流、脈動流等;
3.流量計安裝條件方面:管道布置方向、流動方向、上下游管道長度、管道口徑、維護空間、管道振動、接地、電源、輔屬設備(過濾、排污)、防爆等;
4.流量計經濟因素方面:購置費、安裝費、維修費、校驗費、使用壽命、運行費(能耗)、備品備件等。
1、具有精度高、抗振動、抗干擾、維護方便的特點,適合于各種使用蒸汽、氣體工況下的流量計量。
2、傳感器和流量顯示儀及補償方式合稱為, 則為渦街流量計的典型代表。
3、傳感器是利用卡門渦街原理和現代電子技術而設計制造的一種具有高度可靠性、優良的技術性能指標、良好的介質適應性和通用性的新型流量儀表。
氧氣流量計的安裝
安裝說明
(1)渦街流量計盡量安裝在遠離振動源和電磁干擾較強的地方,振動存在的地方必須采用減振裝置,減少管道受振動的影響。
(2)直管段的配置,前后直管段要滿足渦街流量計的要求,所配管道內徑也必須和渦街流量變送器內徑一致。
(3)安裝示意圖

注意事項
盡量減少管道內汽錘對渦街發生體的沖擊。振動較大而又無法消除時,不宜采用渦街流量計。
調試說明
1、接上信號線、電源線
2、開啟進口、出口閥門,進出口閥門開度要一致
3、打開不銹鋼三閥組平衡閥,緩慢開啟孔板高低壓端的閥門,待流體通過流量計后關閉不銹鋼三閥組平衡閥即可。
安裝管道條件:
(1)節流件前后的直管段必須是直的,不得有肉眼可見的彎曲。
(2)安裝節流件用得直管段應該是光滑的,如不光滑,流量系數應乘以粗糙度修正稀疏。
(3)為保證流體的流動在節流件前1D出形成充分發展的紊流速度分布,而且使這種分布成均勻的軸對稱形,所以
1)直管段必須是圓的,而且對節流件前2D范圍,其圓度要求其甚為嚴格,并且有一定的圓度指標。具體衡量方法:
(A)節流件前OD,D/2,D,2D4個垂直管截面上,以大至相等的角距離至少分別測量4個管道內徑單測值,取平均值D。任意內徑單測量值與平均值之差不得超過±0.3%
(B)在節流件后,在OD和2D位置用上述方法測得8個內徑單測值,任意單測值與D比較,其*大偏差不得超過±2%
2)節流件前后要求一段足夠長的直管段,這段足夠長的直管段和節流件前的局部阻力件形式有關和直徑比β有關。
(4)節流件上游側*一阻力件和*二阻力件之間的直管段長度可按*二阻力件的形式和β=0.7(不論實際β值是多少)取所列數值的1/2
(5)節流件上游側為敞開空間或直徑≥2D大容器時,則敞開空間或大容器與節流件之間的直管長不得小于30D(15D)。若節流件和敞開空間或大容器之間尚有其它局部阻力件時,則除在節流件與局部阻力件之間設有附合規定的*小直管段長1外,從敞開空間到節流件之間的直管段總長也不得小于30D(15D)。
氧氣流量計的工作原理
渦街流量計是由設計在流場中的旋渦發生體、檢測探頭及相應的電子線路等組成。當流體流經旋渦發生體時,它的兩側就形成了交替變化的兩排旋渦,這種旋渦被稱為卡門渦街。斯特羅哈爾在卡門渦街理論的基礎上又提出了卡門渦街的頻率與流體的流速成正比,并給出了頻率與流速的關系式:
f = St × V/d
式中:f 渦街發生頻率 (Hz)
V旋渦發生體兩側的平均流速(m/s )
St 斯特羅哈爾系數(常數)

這些交替變化的旋渦就形成了一系列交替變化的負壓力,該壓力作用在檢測探頭上,便產生一系列交變電信號,經過前置放大器轉換、整形、放大處理后,輸出與旋渦同步成正比的脈沖頻率信號或標準信號。
在流體管道中,垂直插入—個柱形阻擋物,在其后部(相對于流體流向)兩側就會交替地產生旋渦。隨著流體向下游流動形成旋渦列,我們稱之為卡門渦街。我們把產生旋渦的柱形阻擋物定義為旋渦發生體在一定條件下旋渦的分離頻率與流體的流速成線性關系。因而,只要檢測出旋渦分離的頻率,即可計算出管道內流體的流速或流量。
氧氣流量計安裝尺寸


氧氣流量計的配線設計
一. 輸出頻率信號的三線制渦街流量計配線設計
輸出頻率信號的三線制流量傳感器采用DC24V或DC12V電源供電,一般通過三芯屏蔽電纜線(RWP3×0.5mm)與顯示儀表或計算機相連,屏蔽層應可靠地接到放大器殼的接地螺絲上。屏蔽電纜線的選擇應適合現場環境要求,另外屏蔽電纜線要與其它強功率電力線分離,不能平行走線。傳感器端子接線見圖

二.輸出標準4~20mA電流信號的兩線制渦街流量計配線設計
輸出標準4~20mA電流信號的兩線制變送器采用DC24V電源供電,一般通過兩芯屏蔽電纜線(RWP3×0.5mm)與顯示儀表或計算機相連,屏蔽層應可靠地接到放大器殼的接地螺絲上。屏蔽電纜線的選擇應適合現場環境要求,另外屏蔽電纜線要與其它強功率電力線分離,不能平行走線。變送器端子接線見圖

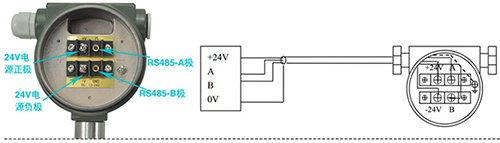
三.帶RS-485通訊接口功能的渦街流量計配線設計
帶RS-485通訊功能的渦街流量計采用DC24V電源供電,與其它設備之間采用四線制傳輸方式。儀表端子接線見圖
浮標式氧氣流量計,液氧氣流量計
氧氣流量計合理的取壓方式對于測量效果的影響
浮標式氧氣流量計,氧氣流量計廠家
影響高壓氧氣流量計在現場測不準的因素有哪些
dn20氧氣流量計在集中供熱系統中的蒸汽計量
管道氧氣流量計存在的十種典型問題及相應解決方法
氧氣流量計在氧化鋁生產中常見故障分析及處理方法
導致高壓氧氣流量計測量數據偏差的因素分析
影響dn20氧氣流量計安裝要求及影響測量精度的技術分析
工業氧氣流量計常見故障分析及處理方法
管道氧氣流量計在供熱系統中技術問題討論
dn25氧氣流量計遇到的常見故障怎么調怎么排除
dn15氧氣流量計對于差壓式儀表的選型及未來發展分析
氮氣氧氣流量計容易出現的問題作出的分析及相應解決方法
浮標式氧氣流量計
浮標式氧氣流量計,dn20氧氣流量計
使用氧氣流量計選型進行蒸汽測量時需要注意那些要求
氧氣流量計無輸出信號及其他安裝故障的判斷和處理
管道氧氣流量計在用作蒸汽流量測量時產生誤差的原因分析
變徑整流器在氧氣流量計的流量測量中的作用及應用介紹
醫用氧氣流量計,氧氣渦街流量計廠家
醫用氧氣流量計,氧氣流量計價格
醫用氧氣流量計,氧氣流量計廠家
高壓氧氣流量計,工業氧氣計量表
dn20氧氣流量計,氧氣流量計量表
工業氧氣流量計,氧氣流量計量表
dn20氧氣流量計,氧氣計量用什么流量計
氧氣計量用什么流量計,氧氣流量計量表
高壓氧氣流量計,氧氣流量計價格
dn20氧氣流量計,醫用氧氣流量計
渦街流量計是根據卡門渦街原理研究生產的,主要用于工業管道介質流體的流量測量,如氣體、液體、蒸氣等多種介質。其特點是壓力損失小,量程范圍大,精度高,在測量工況體積流量時幾乎不受流體密度、壓力、溫度、粘度等參數的影響。無可動機械零件,因此可靠性高,維護量小。儀表參數能長期穩定。渦街流量計采用壓電應力式傳感器,可靠性高,可在-20℃~+250℃的工作溫度范圍內工作。有模擬標準信號,也有數字脈沖信號輸出,容易與計算機等數字系統配套使用,是一種比較先進、理想的測量儀器。
在特定的流動條件下,一部分流體動能會轉化為流體振動,其振動頻率與流速(流量)有確定的比例關系,依據這種原理工作的流量計稱為流體振動流量計。目前流體振動流量計有三類:渦街流量計、旋進(旋渦進動)流量計和射流流量計。渦街流量計具有以下一些特點:
①輸出為脈沖頻率,其頻率與被測流體的實際體積流量成正比,不受流體組分、密度、壓力、溫度的影響;
②測量范圍寬,一般范圍度可達10:1以上;
③精確度為中上水平;
④無可動部件,可靠性高;
應用范圍廣泛,可適用液體、氣體和蒸汽。在特定的流動條件下,一部分流體動能會轉化為流體振動,其振動頻率與流速(流量)有確定的比例關系,依據這種原理工作的流量計稱為流體振動流量計。

氧氣流量計的主要特點
1、儀表整體結構設計合理,動態測量范圍寬,壓力損失小;
2、儀表主體可采用不銹鋼材質制造,適用于腐蝕性介質的測量;
3、渦街流量計無可動部件,安裝維護簡單;
4、現場液晶顯示,脈沖、4~20mA 輸出或485 串行通訊接口,可與工業自動化系統連接;
5、電氣接口:內螺紋 M20×1.5;
6、防爆等級標志:iaIICT2~T6;
7、防護等級:IP65;
8、供電電源:內置電源(3.6V 電池),外供電源12VDC、24VDC;
9、測量介質*高溫度:350℃;
10、工作環境溫度:-30℃~+55℃;(壓力補償時為0℃~+55℃)
11、工作壓力:1.6MPa、2.5MPa、4MPa、6 MPa、10MPa、16MPa、20MPa、25MPa、30MPa、40MPa;
12、準確度:0.5 級、1.0 級、1.5 級。
13、公稱通徑:
卡裝式渦街流量計:DN10、DN15、DN20、DN25、DN32、DN40、DN50、DN65、DN80、DN100、DN125、DN150、DN200、DN250、DN300;
插入式渦街流量計:DN350、DN400、DN450、DN500、DN550、DN600、DN700、DN800、DN900、DN1000 等;
法蘭式渦街流量計:DN15、DN20、DN25、DN32、DN40、DN50、DN65、DN80、DN100、DN125、DN150、DN200、DN250、DN300。
14、規格:
1)螺紋式、卡裝式、法蘭式:DN10~DN32。
2)卡裝式、法蘭式:DN40~DN300。
3)插入式:DN350~DN1000。

氧氣流量計參數
1、測量介質:氣體、液體、蒸汽
2、連接方式:法蘭卡裝式、法蘭式、插入式
3、口徑規格:法蘭卡裝式口徑選擇 25,32,50,80,100
4、法蘭連接式口徑選擇:100,150,200
5、流量測量范圍:正常測量流速范圍 雷諾數1.5×104~4×106;氣體5~50m/s;液體0.5~7m/s;
6、測量精度:1.0級 1.5級
7、被測介質溫度:常溫–25℃~100℃,高溫–25℃~150℃ -25℃~250℃
8、輸出信號:脈沖電壓輸出信號 高電平8~10V 低電平0.7~1.3V
9、脈沖占空比約50%,傳輸距離為100m
10、脈沖電流遠傳信號:4~20 mA,傳輸距離為1000m
11、儀表使用環境 溫度:-25℃~+55℃ 濕度:5~90% RH50℃
12、材質:不銹鋼, 鋁合金
13、電源:DC24V或鋰電池3.6V
14、防爆等級:本安型iaIIbT3-T6,
15、防護等級:IP65
氧氣流量計選型說明
正確的選用渦街流量計是保證用好渦街流量計的前提條件,需要考慮重要因素:通經(DN)、安裝方式、介質溫度、輸出信號、介質種類
注意事項
1、在流量計上下游提供足夠的直管段并確保非彎曲的對稱外形。盡可能在儀表下游安裝閥門。
2、豎直安裝通常是優先選擇的,向上游動的流體能確保儀表總是滿管,且介質中的成分能夠均勻分布。
3、在易于振動的長管路中進行安裝時,應在流量計的上下游安裝消除器。
4、對于氣的應用,儀表安裝應避免安裝在U形彎底部,避免因吸收冷凝而在開車時導致的水錘現象,水錘的強度導致傳感機構過分受力,致使傳感器永久損壞。
5、面對如此眾多品種的渦街流量計,對于一般用戶選型成了一個難題。如何科學地、客觀地選出*好的渦街流量計是需要關注的一個問題。我們認為選型應當遵循適當的規則,盡量避免廠商的誤導宣傳,為自己找到一種恰到好處的渦街流量計,它就是自己的理想流量計。
選型可按五個方面進行:渦街流量計性能方面、流體特性方面、安裝條件方面、環境條件方面和經濟因素方面。各方面的考慮因素如下:
1.流量計性能方面:精確度、重復性、線性度、范圍度、壓力損失、上下限流量、信號輸出特性、響應時間等;
2.流量計流體特性方面:流體壓力、溫度、密度、粘度、潤滑性、化學性質、磨損、腐蝕、結垢、臟污、氣體壓縮系數、等熵指數、比熱容、電導率、聲速、混相流、脈動流等;
3.流量計安裝條件方面:管道布置方向、流動方向、上下游管道長度、管道口徑、維護空間、管道振動、接地、電源、輔屬設備(過濾、排污)、防爆等;
4.流量計經濟因素方面:購置費、安裝費、維修費、校驗費、使用壽命、運行費(能耗)、備品備件等。
|
代號 |
通徑 | 流量范圍㎡/h | |||||
| LUGB-25 | DN25 | 1~12(液體) | 10~100(氣體) | ||||
| LUGB-32 | DN32 | 1.5~23(液體) | 15~150(氣體) | ||||
| LUGB-40 | DN40 | 2.4~32(液體) | 22.6~150(氣體) | ||||
| LUGB-50 | DN50 | 4~50(液體) | 35~350(氣體) | ||||
| LUGB-65 | DN65 | 6.3~184(液體) | 60~600(氣體) | ||||
| LUGB-80 | DN80 | 10~130(液體) | 90~900(氣體) | 注:1.蒸汽流量請查看表3 | |||
| LUGB-100 | DN100 | 20~200(液體) | 140~1400(氣體) | 2.DN250~DN600可按客戶要求訂貨 | |||
| LUGB-125 | DN125 | 31~310(液體) | 220~1450(氣體) | 3.DN300以上口徑推薦使用插入式渦街流量計可定制 | |||
| LUGB-150 | DN150 | 45~450(液體) | 300~3000(氣體) | ||||
| LUGB-200 | DN200 | 80~800(液體) | 550~5500(氣體) | ||||
| LUGB-250 | DN250 | 150~1500(液體) | 880~8800(氣體) | ||||
| LUGB-300 | DN300 | 200~2000(液體) | 1300~13000(氣體) | ||||
| LUGB-300 | DN300 | 100~1500(液體) | 1560~15600(氣體) | ||||
| LUGB-400 | DN400 | 180~3000(液體) | 2750~27000(氣體) | ||||
| LUGB-500 | DN500 | 300~4500(液體) | 4300~43000(氣體) | ||||
| LUGB-600 | DN600 | 450~6500(液體) | 6100~61000(氣體) | ||||
| LUGB-800 | DN800 | 750~10000(液體) | 11000~110000(氣體) | ||||
| LUGB-1000 | DN1000 | 1200~1700(液體) | 17000~170000(氣體) | ||||
| 代號 | 功能1 | ||||||
| N | 無溫壓補償 | ||||||
| Y | 有溫壓補償 | ||||||
| 代號 | 輸出型號 | ||||||
| F1 | 4-20mA輸出(二線制) | ||||||
| F2 | 4-20mA輸出(三線制) | ||||||
| F3 | RS485通訊接口 | ||||||
| F4 | 頻率輸出 | ||||||
| 代號 | 被測介質 | ||||||
| J1 | 液體 | ||||||
| J2 | 氣體 | ||||||
| J3 | 蒸汽 | ||||||
| 代號 | 連接方式 | ||||||
| L1 | 法蘭卡裝式 | ||||||
| L2 | 法蘭連接式 | ||||||
| L3 | 插入式 | ||||||
| 代號 | 功能2 | ||||||
| E1 | 1.0級 | ||||||
| E2 | 1.5級 | ||||||
| T1 | 常溫 | ||||||
| T2 | 高溫 | ||||||
| T3 | 蒸汽 | ||||||
| P1 | 1.6MPa | ||||||
| P2 | 2.5MPa | ||||||
| P3 | 4.0MPa | ||||||
| D1 | 內部3.6V供電 | ||||||
| D2 | DC24V供電 | ||||||
| B1 | 不銹鋼 | ||||||
| B2 | 碳鋼 | ||||||
2、傳感器和流量顯示儀及補償方式合稱為, 則為渦街流量計的典型代表。
3、傳感器是利用卡門渦街原理和現代電子技術而設計制造的一種具有高度可靠性、優良的技術性能指標、良好的介質適應性和通用性的新型流量儀表。
氧氣流量計的安裝
安裝說明
(1)渦街流量計盡量安裝在遠離振動源和電磁干擾較強的地方,振動存在的地方必須采用減振裝置,減少管道受振動的影響。
(2)直管段的配置,前后直管段要滿足渦街流量計的要求,所配管道內徑也必須和渦街流量變送器內徑一致。
(3)安裝示意圖

注意事項
盡量減少管道內汽錘對渦街發生體的沖擊。振動較大而又無法消除時,不宜采用渦街流量計。
調試說明
1、接上信號線、電源線
2、開啟進口、出口閥門,進出口閥門開度要一致
3、打開不銹鋼三閥組平衡閥,緩慢開啟孔板高低壓端的閥門,待流體通過流量計后關閉不銹鋼三閥組平衡閥即可。
安裝管道條件:
(1)節流件前后的直管段必須是直的,不得有肉眼可見的彎曲。
(2)安裝節流件用得直管段應該是光滑的,如不光滑,流量系數應乘以粗糙度修正稀疏。
(3)為保證流體的流動在節流件前1D出形成充分發展的紊流速度分布,而且使這種分布成均勻的軸對稱形,所以
1)直管段必須是圓的,而且對節流件前2D范圍,其圓度要求其甚為嚴格,并且有一定的圓度指標。具體衡量方法:
(A)節流件前OD,D/2,D,2D4個垂直管截面上,以大至相等的角距離至少分別測量4個管道內徑單測值,取平均值D。任意內徑單測量值與平均值之差不得超過±0.3%
(B)在節流件后,在OD和2D位置用上述方法測得8個內徑單測值,任意單測值與D比較,其*大偏差不得超過±2%
2)節流件前后要求一段足夠長的直管段,這段足夠長的直管段和節流件前的局部阻力件形式有關和直徑比β有關。
(4)節流件上游側*一阻力件和*二阻力件之間的直管段長度可按*二阻力件的形式和β=0.7(不論實際β值是多少)取所列數值的1/2
(5)節流件上游側為敞開空間或直徑≥2D大容器時,則敞開空間或大容器與節流件之間的直管長不得小于30D(15D)。若節流件和敞開空間或大容器之間尚有其它局部阻力件時,則除在節流件與局部阻力件之間設有附合規定的*小直管段長1外,從敞開空間到節流件之間的直管段總長也不得小于30D(15D)。
氧氣流量計的工作原理
渦街流量計是由設計在流場中的旋渦發生體、檢測探頭及相應的電子線路等組成。當流體流經旋渦發生體時,它的兩側就形成了交替變化的兩排旋渦,這種旋渦被稱為卡門渦街。斯特羅哈爾在卡門渦街理論的基礎上又提出了卡門渦街的頻率與流體的流速成正比,并給出了頻率與流速的關系式:
f = St × V/d
式中:f 渦街發生頻率 (Hz)
V旋渦發生體兩側的平均流速(m/s )
St 斯特羅哈爾系數(常數)

這些交替變化的旋渦就形成了一系列交替變化的負壓力,該壓力作用在檢測探頭上,便產生一系列交變電信號,經過前置放大器轉換、整形、放大處理后,輸出與旋渦同步成正比的脈沖頻率信號或標準信號。
在流體管道中,垂直插入—個柱形阻擋物,在其后部(相對于流體流向)兩側就會交替地產生旋渦。隨著流體向下游流動形成旋渦列,我們稱之為卡門渦街。我們把產生旋渦的柱形阻擋物定義為旋渦發生體在一定條件下旋渦的分離頻率與流體的流速成線性關系。因而,只要檢測出旋渦分離的頻率,即可計算出管道內流體的流速或流量。
氧氣流量計安裝尺寸


氧氣流量計的配線設計
一. 輸出頻率信號的三線制渦街流量計配線設計
輸出頻率信號的三線制流量傳感器采用DC24V或DC12V電源供電,一般通過三芯屏蔽電纜線(RWP3×0.5mm)與顯示儀表或計算機相連,屏蔽層應可靠地接到放大器殼的接地螺絲上。屏蔽電纜線的選擇應適合現場環境要求,另外屏蔽電纜線要與其它強功率電力線分離,不能平行走線。傳感器端子接線見圖

二.輸出標準4~20mA電流信號的兩線制渦街流量計配線設計
輸出標準4~20mA電流信號的兩線制變送器采用DC24V電源供電,一般通過兩芯屏蔽電纜線(RWP3×0.5mm)與顯示儀表或計算機相連,屏蔽層應可靠地接到放大器殼的接地螺絲上。屏蔽電纜線的選擇應適合現場環境要求,另外屏蔽電纜線要與其它強功率電力線分離,不能平行走線。變送器端子接線見圖

三.帶RS-485通訊接口功能的渦街流量計配線設計
帶RS-485通訊功能的渦街流量計采用DC24V電源供電,與其它設備之間采用四線制傳輸方式。儀表端子接線見圖
上一篇:醫用氧氣流量計,氧氣計量表


