氣體溫度處理中氣體流量計電流異常波動問題及處理方法
點擊次數:2464 發布時間:2020-08-17 09:02:52
摘要:氣體溫度處理中氣體流量計在長時間使用后,可能會出現電流異常波動問題,如果沒有及時對其進行正確處理,將對流量計及被處理工件造成影響,嚴重時甚至會直接損害流量計或工件。在現代工業生產要求越來越高的情況下,避免電流異常波動所造成的損害,是保障氣體溫度處理工藝安全、穩定與高效的重要途徑。文章簡單介紹氣體溫度處理中氣體流量計及其電流異常波動問題,并就相應處理方法展開探討。
氣體溫度處理工藝具有不氧化、不脫碳、變形小、脫脂、脫氣作用明顯等優勢,逐漸成為現代工業生產中的重要工藝,氣體溫度處理中流量計也得以廣泛應用。隨著現代工業的不斷發展,工業生產對氣體溫度處理中氣體流量計提出了更高要求,而電流異常波動問題則對該流量計的安全、穩定、高效運行造成了嚴重影響。因此在近年來,如何處理該流量計電流異常波動問題,已經成為廣受關注和重點研究的問題。
1氣體溫度處理中氣體流量計及其電流異常波動問題
1.1氣體溫度處理中流量計概述
氣體溫度處理技術是真空技術與熱處理技術相結合的綜合技術,即全部或部分熱處理工藝在真空狀態下進行。而氣體溫度處理中流量計,則是合理應用該技術的工藝流量計,好常見的氣體流量計為氣體溫度處理爐。通常而言,該流量計具有熱效率高,可實現無氧化、無脫碳、無滲碳,可去掉工件表面磷屑,可脫氧除氣等作用,故而在現代工業中得以廣泛應用。氣體溫度處理爐的真空系統由真空容器、真空泵、真空閥、連接件及真空測量儀表等所組成,能夠構成嚴格的真空密封環境。與此同時,該流量計還具有水冷裝置,用于保護個部件結構不變形、不損壞,同時防止真空密封圈過熱甚至燒毀,進而保障流量計的長期、正常運行。另外,該流量計通常還采用低電壓大電流,具有較高的自動化程度,能夠自動、精確完成工件加工與處理。
1.2氣體溫度處理中氣體流量計電流異常波動問題
當前工業生產對氣體溫度處理中流量計提出了較高要求,其中好顯著的一點就在于自動化程度要求。這是因為氣體溫度處理工藝的環境不適合人員長期工作甚至接近,同時部分工藝技術對操作精準度、及時度、復雜度要求較高,人工操作較易出現失誤。而真空環境很容易在加熱過程中出現起弧、放電等現象,嚴重威脅流量計運行安全與質量,故而該氣體流量計需要應用低電壓大電流的形式進行加熱,避免電壓過高。不可否認,高度信息化與低電壓的特性能夠在一定程度上提升氣體溫度處理中流量計的安全性,但該流量計在運行時依舊還有著一定問題,電流異常波動就是其中典型。
在工業生產中,氣體溫度處理中流量計需要長期處于運行狀態,加熱器連接位置可能會因長期受熱而出現變形、厚度減小、對地短路等現象。在這些現象出現后,連接位置容易虛接,同樣會出現起弧、放電現象,并引發電流異常波動問題。在電流出現異常波動后,很容易導致局部電流過大,溫度過大,并將加熱器連接位置給熔斷,導致熱處理流量計受到損壞,同時加工工件也會受到影響甚至損壞。而氣體溫度處理中氣體流量計加熱系統缺乏相應報警功能,無法在電流異常波動后及時進行報警,導致工作人員不能地衣時間采取合理措施加以應對,直到加熱器連接位置熔斷后發現問題,但已經造成了難以挽回的損失。因此,實現加熱器保護系統加熱功能,并對電流異常波動現象進行及時處理,是保障氣體溫度處理安全與質量的有效途徑。
2氣體溫度處理中氣體流量計電流異常波動處理方法
2.1機械設計
應對氣體溫度處理中流量計電流異常波動,需要對其波動進行有效監測和警報,即判斷流量計是否存在電流異常波動問題。在此基礎之上,還需要設計一定的自動處理機制,在自動保護流量計的同時,也能在一定程度上避免人員處理不及時所導致的嚴重后果。從設計的角度來看,要判斷氣體溫度處理中流量計是否存在電流異常波動,需要根據氣體流量計實際運行狀況的電流變化情況進行實時監測。就當前來看,我國主流氣體溫度處理中流量計均配備有能夠實現PID調解的智能儀表,不但能夠連續、穩定地進行溫度控制,并且升溫及降溫速度極快,并具備抑制超調、欠調等優點。流量計連續控溫是基于連續可調功率輸出而實現的,故而可以利用其該特性,接入PLC模塊,把加熱所用電流信號變換成標準模擬信號,實現AD轉換。然后,可以根據流量計實際情況,合理選擇采樣點,確定相應周期,并通過連續對比的方式進行檢測。所謂連續對比,也就是把某采樣點數據和前一個點數據進行對比,并根據對比結果判斷加熱器是否存在電流異常波動問題。對此,需要根據流量計實際狀況,設置相應的差值允許范圍,如果對比結果在該范圍之內,則表明加熱器處于正常運行狀態;而對比結果超過該范圍,則意味著加熱器運行異常,存在電流異常波動問題。并且在該情況下,流量計會進行報警,技術人員則可以根據氣體流量計運行狀態,采取自動切斷或人為干預的方式。
在實際操作時,文章采取方式為先加設電流變送器,并依照相應選型手冊規范,選取宇波模塊CHYXXXXAY2/V0電流變送器,把氣體溫度處理中流量計中的0-XXXXA電流轉換成電壓為0~5V的標準模擬信號。在此基礎之上,再接入PLC模塊實現AD轉換。結合所用氣體溫度處理中流量計實際情況,文章選擇OMRON公司生產的CP1HXA40DR-A型PLC,通過控制器該自帶的4通道實現AD轉換,地址分為別200,201,202和203。好后,依照該公司提供的CP1H操作手冊,直接在控制器中設置相應轉換參數即可。
2.2程序設計
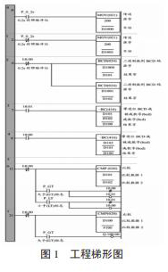
由于文章所選用的CP1HXA40DR-A型PLC具有4通道,在此僅以其中的200點對其程序設計進行探討。*先,確定采樣周期為0.2s,并將控制器200點頻道接受到的信號,傳輸給準備好的數據寄存器的D1000與D1001,如圖1所示。當周期數為1時,控制器信號會被傳輸到寄存器的D1000;而在周期數為0時,控制器信號則會被傳輸到寄存器D1001。將寄存器中的信號利用二進制到BCD碼,可以被分別轉換到寄存器D101與D102之中。此時,只需要將該兩組數據進行對比,就能判斷內部寄存器情況。其中,當D101數據的值大于D102數據的值時,內部寄存器10.00數值為0,而10.01數值為1。反之則結果亦相反。不管是10.00還是10.01的值為1,都可以通過利用大值減去小值的方式,計算得到D100的數值。在得到該值后,只需將其與預先設定好的值進行比較,即可完成氣體流量計電流異常檢測。如果D100的值較設定值更大,那么就會觸發可編程控制器輸出點(100.00)并進行報警。

需要注意的是,氣體溫度處理中流量計在實際加熱時,其電流會因為PID調節輸出的改變而變化,從而出現正常波動。在這種情況下,文章設計的報警系統同樣會發出警報。針對該問題,將電流正常波動及異常波動的特性進行對比,根據PID參數穩定,其輸出在短時間內同樣較為穩定,故而可以選擇加設定時器、計數器來區分電流正常及異常波動。例如在確定采樣周期后,可以設置相應的電流波動達到報警范圍的次數,如果計數器得到的值超過該值,那么就意味著電流波動異常,發出警報。但是當計數器得到的值小于該值時,則默認為流量計電流的正常波動,不會進行報警。
2.3上位機鏈接
在工業生產中,需要將氣體溫度處理中氣體流量計與控制中心進行連接,其電流異常波動報警系統同樣需要與控制中心連接,此時就需要用到上位機鏈接系統。該系統能夠將1臺上位機與1臺或者多臺可編程控制器鏈接,并對后者進行程序傳輸、數據監控及遠程控制。在文章中,利用CP1HXA40DR-A型PLC的RS-232串口和上位機進行鏈接,并進行測試通訊。如此一來,通過該系統就能實時監測流量計電流值,顯示并存儲報警數據,以便技術人員**對流量計狀態進行分析,同時也能在出現故障后即時調用數據,為故障修復提供數據支持。
3 結語
利用電流變送器與可編程控制器,針對氣體溫度處理中氣體流量計中電流能夠反映流量計運轉狀況的特性,設計了電流比較方法對流量計電流波動情況進行監測。再加上定時器與計數器,排除了流量計正常運轉時產生的電流波動帶來的干擾與影響,從而能夠有效發現流量計電流異常波動并進行報警。該方案具有設計操作簡單、反應靈敏、成本低廉、不影響氣體流量計運行等優點,能夠在工業生產中得以有效應用,保護氣體溫度處理中流量計及生產安全。
氣體流量計種類及應用
氣體流量計安裝直管段要求
氣體流量計的安裝環境要求
氣體流量計常見故障判斷處理
氣體流量計故障有哪些
常見的氣體流量計分類
如何校準氣體流量計
氣體流量計不準的原因與處理方法
氣體流量計的安裝要求
氣體流量計的種類及工作原理
氣體流量計的測量原理與結構
氣體流量計安裝的注意事項
氣體流量計該如何正確選型
氣體流量計與楔形流量計的優缺點及產品選型注意事項
油田在用氣體流量計計量性能及適用性分析
關于氣體流量計測量原理及常見誤差分析
氣體流量計在電廠脫硝系統蒸汽耗量過大問題中的分析
渦街氣體流量計原理
渦街氣體流量計怎么安裝
渦街氣體流量計量程范圍
氣體流量計工作原理
氣體流量計怎樣選型
氣體流量計怎么讀數及參數設置
熱式氣體流量計的通訊模塊設計與通訊聯調
關于熱式氣體流量計在脫硝采樣系統改造與優化中的應用
蒸汽流量計量中關于二氧化碳氣體流量計的特性分析
二氧化碳氣體流量計,二氧化碳氣體流量表
二氧化碳氣體流量計的組成及在內燃機熱測試中的應用
高精度氣體流量計
高溫氣體流量計在冶金設備和自動化開發領域中應用
氣體溫度處理工藝具有不氧化、不脫碳、變形小、脫脂、脫氣作用明顯等優勢,逐漸成為現代工業生產中的重要工藝,氣體溫度處理中流量計也得以廣泛應用。隨著現代工業的不斷發展,工業生產對氣體溫度處理中氣體流量計提出了更高要求,而電流異常波動問題則對該流量計的安全、穩定、高效運行造成了嚴重影響。因此在近年來,如何處理該流量計電流異常波動問題,已經成為廣受關注和重點研究的問題。
1氣體溫度處理中氣體流量計及其電流異常波動問題
1.1氣體溫度處理中流量計概述
氣體溫度處理技術是真空技術與熱處理技術相結合的綜合技術,即全部或部分熱處理工藝在真空狀態下進行。而氣體溫度處理中流量計,則是合理應用該技術的工藝流量計,好常見的氣體流量計為氣體溫度處理爐。通常而言,該流量計具有熱效率高,可實現無氧化、無脫碳、無滲碳,可去掉工件表面磷屑,可脫氧除氣等作用,故而在現代工業中得以廣泛應用。氣體溫度處理爐的真空系統由真空容器、真空泵、真空閥、連接件及真空測量儀表等所組成,能夠構成嚴格的真空密封環境。與此同時,該流量計還具有水冷裝置,用于保護個部件結構不變形、不損壞,同時防止真空密封圈過熱甚至燒毀,進而保障流量計的長期、正常運行。另外,該流量計通常還采用低電壓大電流,具有較高的自動化程度,能夠自動、精確完成工件加工與處理。
1.2氣體溫度處理中氣體流量計電流異常波動問題
當前工業生產對氣體溫度處理中流量計提出了較高要求,其中好顯著的一點就在于自動化程度要求。這是因為氣體溫度處理工藝的環境不適合人員長期工作甚至接近,同時部分工藝技術對操作精準度、及時度、復雜度要求較高,人工操作較易出現失誤。而真空環境很容易在加熱過程中出現起弧、放電等現象,嚴重威脅流量計運行安全與質量,故而該氣體流量計需要應用低電壓大電流的形式進行加熱,避免電壓過高。不可否認,高度信息化與低電壓的特性能夠在一定程度上提升氣體溫度處理中流量計的安全性,但該流量計在運行時依舊還有著一定問題,電流異常波動就是其中典型。
在工業生產中,氣體溫度處理中流量計需要長期處于運行狀態,加熱器連接位置可能會因長期受熱而出現變形、厚度減小、對地短路等現象。在這些現象出現后,連接位置容易虛接,同樣會出現起弧、放電現象,并引發電流異常波動問題。在電流出現異常波動后,很容易導致局部電流過大,溫度過大,并將加熱器連接位置給熔斷,導致熱處理流量計受到損壞,同時加工工件也會受到影響甚至損壞。而氣體溫度處理中氣體流量計加熱系統缺乏相應報警功能,無法在電流異常波動后及時進行報警,導致工作人員不能地衣時間采取合理措施加以應對,直到加熱器連接位置熔斷后發現問題,但已經造成了難以挽回的損失。因此,實現加熱器保護系統加熱功能,并對電流異常波動現象進行及時處理,是保障氣體溫度處理安全與質量的有效途徑。
2氣體溫度處理中氣體流量計電流異常波動處理方法
2.1機械設計
應對氣體溫度處理中流量計電流異常波動,需要對其波動進行有效監測和警報,即判斷流量計是否存在電流異常波動問題。在此基礎之上,還需要設計一定的自動處理機制,在自動保護流量計的同時,也能在一定程度上避免人員處理不及時所導致的嚴重后果。從設計的角度來看,要判斷氣體溫度處理中流量計是否存在電流異常波動,需要根據氣體流量計實際運行狀況的電流變化情況進行實時監測。就當前來看,我國主流氣體溫度處理中流量計均配備有能夠實現PID調解的智能儀表,不但能夠連續、穩定地進行溫度控制,并且升溫及降溫速度極快,并具備抑制超調、欠調等優點。流量計連續控溫是基于連續可調功率輸出而實現的,故而可以利用其該特性,接入PLC模塊,把加熱所用電流信號變換成標準模擬信號,實現AD轉換。然后,可以根據流量計實際情況,合理選擇采樣點,確定相應周期,并通過連續對比的方式進行檢測。所謂連續對比,也就是把某采樣點數據和前一個點數據進行對比,并根據對比結果判斷加熱器是否存在電流異常波動問題。對此,需要根據流量計實際狀況,設置相應的差值允許范圍,如果對比結果在該范圍之內,則表明加熱器處于正常運行狀態;而對比結果超過該范圍,則意味著加熱器運行異常,存在電流異常波動問題。并且在該情況下,流量計會進行報警,技術人員則可以根據氣體流量計運行狀態,采取自動切斷或人為干預的方式。
在實際操作時,文章采取方式為先加設電流變送器,并依照相應選型手冊規范,選取宇波模塊CHYXXXXAY2/V0電流變送器,把氣體溫度處理中流量計中的0-XXXXA電流轉換成電壓為0~5V的標準模擬信號。在此基礎之上,再接入PLC模塊實現AD轉換。結合所用氣體溫度處理中流量計實際情況,文章選擇OMRON公司生產的CP1HXA40DR-A型PLC,通過控制器該自帶的4通道實現AD轉換,地址分為別200,201,202和203。好后,依照該公司提供的CP1H操作手冊,直接在控制器中設置相應轉換參數即可。
2.2程序設計
由于文章所選用的CP1HXA40DR-A型PLC具有4通道,在此僅以其中的200點對其程序設計進行探討。*先,確定采樣周期為0.2s,并將控制器200點頻道接受到的信號,傳輸給準備好的數據寄存器的D1000與D1001,如圖1所示。當周期數為1時,控制器信號會被傳輸到寄存器的D1000;而在周期數為0時,控制器信號則會被傳輸到寄存器D1001。將寄存器中的信號利用二進制到BCD碼,可以被分別轉換到寄存器D101與D102之中。此時,只需要將該兩組數據進行對比,就能判斷內部寄存器情況。其中,當D101數據的值大于D102數據的值時,內部寄存器10.00數值為0,而10.01數值為1。反之則結果亦相反。不管是10.00還是10.01的值為1,都可以通過利用大值減去小值的方式,計算得到D100的數值。在得到該值后,只需將其與預先設定好的值進行比較,即可完成氣體流量計電流異常檢測。如果D100的值較設定值更大,那么就會觸發可編程控制器輸出點(100.00)并進行報警。

需要注意的是,氣體溫度處理中流量計在實際加熱時,其電流會因為PID調節輸出的改變而變化,從而出現正常波動。在這種情況下,文章設計的報警系統同樣會發出警報。針對該問題,將電流正常波動及異常波動的特性進行對比,根據PID參數穩定,其輸出在短時間內同樣較為穩定,故而可以選擇加設定時器、計數器來區分電流正常及異常波動。例如在確定采樣周期后,可以設置相應的電流波動達到報警范圍的次數,如果計數器得到的值超過該值,那么就意味著電流波動異常,發出警報。但是當計數器得到的值小于該值時,則默認為流量計電流的正常波動,不會進行報警。
2.3上位機鏈接
在工業生產中,需要將氣體溫度處理中氣體流量計與控制中心進行連接,其電流異常波動報警系統同樣需要與控制中心連接,此時就需要用到上位機鏈接系統。該系統能夠將1臺上位機與1臺或者多臺可編程控制器鏈接,并對后者進行程序傳輸、數據監控及遠程控制。在文章中,利用CP1HXA40DR-A型PLC的RS-232串口和上位機進行鏈接,并進行測試通訊。如此一來,通過該系統就能實時監測流量計電流值,顯示并存儲報警數據,以便技術人員**對流量計狀態進行分析,同時也能在出現故障后即時調用數據,為故障修復提供數據支持。
3 結語
利用電流變送器與可編程控制器,針對氣體溫度處理中氣體流量計中電流能夠反映流量計運轉狀況的特性,設計了電流比較方法對流量計電流波動情況進行監測。再加上定時器與計數器,排除了流量計正常運轉時產生的電流波動帶來的干擾與影響,從而能夠有效發現流量計電流異常波動并進行報警。該方案具有設計操作簡單、反應靈敏、成本低廉、不影響氣體流量計運行等優點,能夠在工業生產中得以有效應用,保護氣體溫度處理中流量計及生產安全。


