
丁烷流量計
- 品*:JKM/凱銘儀表
- 型號:JKM-LUGB
- 測量范圍:5-11000m3/h
- 精度等級:1.5級、1.0級
- 公稱通徑:DN20~DN1200
- 適用介質:氣體、液體、蒸汽
- 工作壓力:1.6MPa~10MPa
- 工作溫度:-80℃~450℃
- 供電方式:24VDC 鋰電池
- 訂貨號:JXCOYSMAO637
丁烷流量計概述
產品的種類和適用范圍
1.LUGB系列滿管型壓電式渦街流量儀表
2.LUGB系列插入型壓電式渦街流量儀表
3.LUGE系列滿管型電容式渦街流量儀表
4.LUGE系列插入型電容式渦街流量儀表
5.LUGB/E系列電池供電型渦街流量儀表
6.潛水型/分體型渦街流量儀表(協議訂貨)
7.多功能曲線紀錄積算儀,帶P/T補償功能、中文液晶顯示
8.智能流量積算儀,數碼管顯示
LUGB/E型渦街流量儀表廣泛適用于石油、化工、冶金、熱力、紡織、造紙等行業對過熱蒸汽、飽和蒸汽、壓縮空氣和一般氣體(氧氣、氮氣氫氣、天然氣、煤氣等) 、水和液體(如:水、汽油、酒精、苯類等)的計量和控制.

丁烷流量計工作原理
在流體中設置非流線型旋渦發生體(阻流體),則從旋渦發生體兩側交替地產生兩列有規則的旋渦,這種旋渦稱為卡曼渦街,如圖(一)所示。

旋渦列在旋渦發生體下游非對稱地排列。設旋渦的發生頻率為f,被測介質來流的平均速度為V,旋渦發生體迎流面寬度為d,表體通徑為D,根據卡曼渦街原理,有如下關系式:
f=StV/d 公式(1)
式中:
f-發生體一側產生的卡門旋渦頻率
St-斯特羅哈爾數(無量綱數)
V-流體的平均流速
d-旋渦發生體的寬度
由此可見,通過測量卡門渦街分離頻率便可算出瞬時流量。其中,斯特羅哈爾數(St)是無因次未知數,
圖(二)表示斯特羅哈爾數(St)與雷諾數(Re)的關系。

在曲線表中St=0.17的平直部分,漩渦的釋放頻率與流速成正比,即為渦街流量計傳感器測量范圍度。只要檢測出頻率f就可以求得管內流體的流速,由流速V求出體積流量。所測得的脈沖數與體積量之比,稱為儀表常數(K),見式(2)
K=N/Q(1/m3) 公式(2)
式中:K=儀表常數(1/m3)。
N=脈沖個數
Q=體積流量(m3)
丁烷流量計主要技術指標
1、公稱通徑(mm):25,40,50,65,80,100,125,150,200,250,300,(300~1000插入式)
2、公稱壓力(MPa):DN25-DN200 4.0(>4.0協議供貨),DN250-DN300 1.6(>1.6協議供貨)
3、介質溫度(℃):壓電式:-40~260,-40~320;電容式: -40~300, -40~400,-40~450(協議訂貨)
4、本體材料:1Cr18Ni9Ti,(其它材料協議供貨)
5、允許振動加速度:壓電式:0.2g 電容式:1.0~2.0g
6、精確度:±1%R,±1.5%R,±1FS;插入式:±2.5%R,±2.5%FS
7、范圍度:1:6~1:30
8、供電電壓:傳感器:+12V DC,+24V DC;變送器:+12V DC ,+24V DC;電池供電型:3.6V電池
9、輸出信號:方波脈沖(不包括電池供電型):高電平≥5V,低電平≤1V;電流:4~20mA
10、壓力損失系數:符合JB/T9249標準 Cd≤2.4
11、防爆標志:本安型:ExdⅡia CT2-CT5隔爆型:ExdⅡCT2-CT5
12、防護等級:普通型IP65 潛水型 IP68
13、環境條件:溫度-20℃~55℃,相對濕度5%~90%,大氣壓力86~106kPa
14、適用介質:氣體、液體、蒸汽
15、傳輸距離:三線制脈沖輸出型:≤300m,兩線制標準電流輸出型 (4~20mA):負載電阻≤750Ω

丁烷流量計傳感器工況流量范圍表


丁烷流量計配線設計
一. 輸出頻率信號的三線制渦街流量儀表配線設計
輸出頻率信號的三線制流量傳感器采用DC24V或DC12V電源供電,一般通過三芯屏蔽電纜線(RWP3×0.5mm)與顯示儀表或計算機相連,屏蔽層應可靠地接到放大器殼的接地螺絲上。屏蔽電纜線的選擇應適合現場環境要求,另外屏蔽電纜線要與其它強功率電力線分離,不能平行走線。傳感器端子接線見圖

二.輸出標準4~20mA電流信號的兩線制渦街流量儀表配線設計
輸出標準4~20mA電流信號的兩線制變送器采用DC24V電源供電,一般通過兩芯屏蔽電纜線(RWP3×0.5mm)與顯示儀表或計算機相連,屏蔽層應可靠地接到放大器殼的接地螺絲上。屏蔽電纜線的選擇應適合現場環境要求,另外屏蔽電纜線要與其它強功率電力線分離,不能平行走線。變送器端子接線見圖

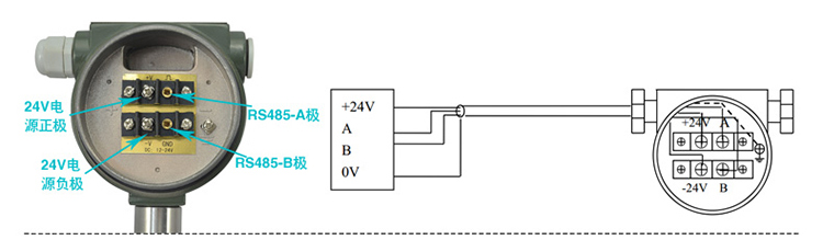
三.帶RS-485通訊接口功能的渦街流量儀表配線設計
帶RS-485通訊功能的渦街流量儀表采用DC24V電源供電,與其它設備之間采用四線制傳輸方式。儀表端子接線見圖

四.防暴型渦街流量儀表配線設計
LUGB/E三線制脈沖輸出型渦街流量儀表與LB978齊納安全柵相連、LUGB/E兩線制標準4~20mA電流輸出型渦街流量儀表與LB987S齊納安全柵相連可構成本質安全型防爆系統,產品防爆標志為Ex ia Ⅱ CT2-T5。本安防爆型渦街流量傳感器/變送器與防爆安全柵和積算系統等關聯設備的接線性請參看防爆安全柵廠家提供的接線說明和以下所示圖(十一),圖(十二)。


注意事項:
(1)防爆型傳感器和變送器安裝于危險場所,安全柵、顯示儀表、供電電源,計算機等關聯設備必須安裝在安全場所。
(2)傳感器和變送器應有可靠接地,防爆地線不得與強電系統保護接地共用。
丁烷流量計普通液晶顯示表頭參數設置操作說明(V01P)
1、面板按鍵說明
進入參數設置狀態 / 翻頁 / 確認寫入
數字左移/設置小數點/清零
數字由0-9循環/ 標志位切換/瞬時流量和累計流量切換
返回2、顯示窗字符說明
液晶顯示標志字符定義見表(一):
符號:QP
定義說明:小數點設置
符號:Q
定義說明:滿度流量值(m3/h或km3/h)
符號:P,AA
定義說明:密碼修改項
符號:F
定義說明:滿度流量Q對應的頻率值(Hz)
符號:F0
定義說明:小信號切除頻率值
符號:P,EE
定義說明:線性修正項
3、操作說明:
本版本儀表表頭操作界面采用菜單形式進行參數設置,框圖如下:

3.1 儀表出廠前已將各參數根據用戶訂貨要求設置完畢,用戶無須設置。如用戶需要改變量程,請按下述方法設定。例如,ρ600插入式流量表,原滿度流量為50000m3/h,頻率為694.4Hz。滿度流量現改為70000m3/h,頻率為972.2Hz進入每項流量參數設置頁后,其右端標志字符均進行閃動提示,每項參數設置完畢后,必須按SET鍵確認才能寫入存儲。
(Q 8 0 0 6,F 1 1 1.2)或(Q 8 0 0 6,X X X X X X X X)工 作 狀 態;
(P 00 0 0 0 0)按SET鍵,顯示屏顯示P,數字位為全零,8秒鐘若無操作,自動返回工 作 狀 態;
(P xx x x x x)輸入密碼 :按數字↑鍵和左移←鍵,輸入密碼數xxxxx(出廠時默認密碼為00000),↑鍵可使各位數字由0-9循環變化,每按←鍵一次數字向右循環一位,可通過多次按←鍵對整段數字清零,按→鍵可以返回工作狀態。
(P 0 0 0 0 0 0,00)菜單選擇項:按SET鍵確認,顯示屏顯示如右圖所示,末行“00”閃動,調整該項值選擇不同參數設置菜單。
(QP 0 0 0 0. 0 0)設置小數點:直接按SET鍵確認,進入默認流量參數設置菜單,顯示屏顯示QP,按數字↑鍵設置標志位。按數字←鍵設置小數點,按→鍵可以返回菜單選擇項。
(QP 0 0 0. 0 0,F0 0 0 5 0. 0)小信號切除:按SET鍵確認寫入上步操作結果,顯示屏顯示F0,按數字鍵↑和移位鍵←,設置小信號切除頻率值,按→鍵可以返回菜單選擇項。
(Q 7 0 0 0 0. 0)滿度流量參數設置:按SET鍵確認寫入上步操作結果,顯示屏顯示Q,按數字鍵↑和移位鍵←,設入滿度流量值70000(km3/h), 按→鍵可以返回菜單選擇項。
(Q 7 0 0 0 0. 0,F 0 9 7 2.2)滿度頻率參數設置:按SET鍵確認寫入上步操作結果,顯示屏顯示F ,按數字鍵↑和移位鍵←,設入滿度流量對應頻率972.2Hz,按SET鍵確認寫入上步操作結果,并返回本菜單*一頁,按→鍵可以返回菜單選擇項。
3.2 密碼設置說明
在菜單選擇項狀態,步驟(四),調整該項值為“01”,然后按SET鍵,進入密碼設置項。
(P 0 0 0 0 0 0,AA)密碼設置項:按數字鍵↑和移位鍵←,設置所需密碼,按SET鍵確認,“AA”閃動 ,代表屏顯密碼已寫入,按→鍵可以返回菜單選擇項。
3.3 線性修正設置說明
在菜單選擇項狀態,步驟(四),調整該項值為“03”,進入線性修正菜單
(P 0 0 0 0 0 0,EE)線性修正項:若“AA”閃動,代表儀表工作在線性修正狀態,若“P”閃動,代表儀表工作在非修正狀態,須輸入認證碼進入修正參數設置菜單。為了保證數據的安全性,通行碼不對用戶開放。按→鍵可以返回菜單選擇項。
3.4 小流量切除說明
當安裝儀表現場的管道振動過大,無實際流量而有干擾信號輸出,可以采用小流量切除功能將干擾信號切除,切除信號頻率范圍一般要求低于儀表的下限量程,具體設置因情況而定。


