乙酸乙酯流量計
- 品*:JKM/凱銘儀表
- 型號:JKM-LWGY
- 測量范圍:0.04~800m3/h
- 精度等級:0.5級、1.0級
- 公稱通徑:DN4~DN200
- 適用介質:水 油 醇 純凈液體
- 工作壓力:1.6~6.3MPa
- 工作溫度:-20~+100℃
- 供電方式:24VDC 3.6V鋰電池
- 訂貨號:GEB626220QPL

乙酸乙酯流量計流量范圍表

乙酸乙酯流量計類型
A、現場顯示型
液體渦輪流量計是采用先進單片微機技術設計的新型流量計顯示儀表,與脈沖信號輸出的流量傳感器(如渦輪、旋渦)配套??娠@示瞬時流量和累計總量。累計流量:八位數字,小數點后面3位有效數字。瞬時流量:六位數字,可顯示出每升的變化。顯示精度:±1個顯示單位。信號輸出:脈沖輸出:1~3000Hz外供+12~+24VDC電源 電流輸出:4~20mA外供+24VDC電源(兩線制)內置2節3V鋰電池并聯供電。當電壓低于2.7V時出現欠壓指示,隔爆型。小信號切除功能。
B、脈沖輸出型
工作電壓:+12VDC或+24VDC兩種(客戶定貨前必須選定一種供電電源)。信號傳輸距離:小于250米。輸出信號:方波信號幅值:+12VDC供電幅值大約為10V+24VDC供電幅值大約為20V安裝:放大器和渦輪流量傳感器連接為M16×1.5螺紋,渦輪流量傳感器安裝完后,把放大器擰到渦輪流量傳感器上,用手擰到感覺放大器到底后再把鎖緊螺母帶緊。接線:脈沖輸出型放大器對外引線為三根,紅線、白線和屏蔽。紅線接正電源,白線為脈沖輸出和其它顯示儀或設備連接,屏蔽接地。
C、4~20mA輸出型
工作電壓:外供電+24VDC(兩線制)輸出信號:4~20mA或1-5V、4mA對應渦輪流量傳感器零流量,20mA對用渦輪流量傳感器*大流量,流量范圍見渦輪流量傳感器銘*。信號傳輸距離:小于250米。安裝:渦輪流量傳感器安裝完后,把放大器擰到渦輪流量傳感器接頭處(m16×1.5螺紋),用手擰到感覺放大器已經到底后把鎖緊螺母帶緊。接線:4~20mA輸出型放大器對外引線為紅線和白線。紅線為電源線,白線為信號線。
D、分體遠傳顯示型
工作電壓:外電源供電220VAC信號傳輸距離:小于250米顯示儀瞬時四位:累計總量九位顯示顯示儀尺寸:橫式:160mm×80mm豎式:80mm×160mm顯示儀帶4~20mA輸出并能與計算機連接
乙酸乙酯流量計的安裝
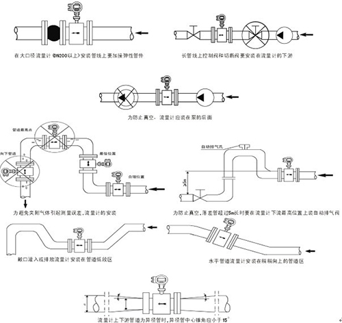
1、液體渦輪流量計作為葉輪式流量計的主要品種,由傳感器和轉換顯示儀表組成,被廣泛應用于測量封閉管道中的液體,但液體必須是與不銹鋼、硬質合金不起腐蝕作用,且介質中沒有纖維以及顆粒等雜質。以下就來講講渦輪流量計的一些安裝方式注意點。
2、液體渦輪流量計的安裝有法蘭連接、螺紋連接及夾裝式三種方式。安裝時液體流動方向應與傳感器外殼上指示流向的箭頭方向一致,且上游直管段應大于等于20倍管徑,下游直管段大于等于5倍管徑。
3、儀表的傳感器應遠離外界磁場,如不能避免,應采取必要的措施。為了檢修時不至于影響液體的正常輸送,應在傳感器兩端的直管段外安裝旁通管道。傳感器露天安裝時,要做好防水處理。傳感器與顯示儀表的接線,應根據放大器的電源來選擇接線方式。
4、液體渦輪流量計可水平、垂直安裝,垂時流體方向必須向上。液體應充滿管道,不得有氣泡。安裝時,液體流動方向應與傳感器外殼上指示流向的箭頭方向一致。直管段內壁應光滑清潔,無凹痕、積垢和起皮等缺陷。
5、作為流量測量的一種理想儀表,渦輪流量計在業界獲得了廣泛的應用,正確的安裝方式是保證儀表正常運作的前提條件,為日后的保養維修提供便利,也能讓儀表的壽命更長久。

上一篇:氯甲烷流量計|溫壓補償渦街式
下一篇:尿酸流量計|高精度電磁式


