大口徑測量高爐煤氣流量計
點擊次數:2462 發布時間:2021-01-08 06:06:30
大口徑測量高爐煤氣流量計概述

大口徑測量高爐煤氣流量計的產品特點
1、安裝簡便,維護十分方便;
2、結構簡單牢固,無可動部件,長期運行十分可靠;
3、量程范圍寬,量程比可達1:15;
4、壓力損失小,運行費用低,更具節能意義;
5、應用范圍廣,液體、氣體、蒸汽均可測量;
6、檢定周期長,一般為兩年;
7、在一定雷諾數范圍內,輸出信號不受被測介質物理性質和組分變化的影響,儀表系數僅與旋渦發生體的形狀和尺寸有關,調換配件后一般無須重新標定儀表系數;
8、可現場顯示,也可遠距離傳輸,還可與計算機控制系統聯網;
9、檢測探頭不直接接觸被測介質,性能更穩定。
10、壓力損失小,量程范圍大,精度高,在測量工況體積流量時幾乎不受流體密度、壓力、溫度、粘度等參數的影響;
11、無可動機械零件,因此可靠性高,維護量小;
12、采用壓電應力式傳感器,儀表參數能長期穩定,可在-20℃~+250℃的工作溫度范圍內工作;
13、有模擬標準信號,也有數字脈沖信號輸出,容易與計算機等數字系統配套使用,是一種比較先進、理想的流量儀表。

大口徑測量高爐煤氣流量計參數
1、產品名稱:渦街流量計
2、適用介質:空氣,氧氣,氮氣,氫氣,壓縮氣體的流量計量
3、管徑(DN) :DN15~DN300mm至更大
4、公稱壓力:0.6~4MPa (指連接法蘭公稱壓力,非介質的工作壓力)
5、工況溫度:-20~+80℃(需更高溫度請與工廠聯系)
6、測量精度:±1.5%FS
7、量程范圍:1:3(±0.2%) ,1:10(±0.5%), 1:15(±1.5%)
8、殼體材質:碳鋼;不銹鋼;
9、供電方式:內置3.6VDC鋰電池(可用兩年);外供24VDC;
10、輸出信號:4~20mA二線制;脈沖0~1000HZ;RS485
11、防護等級:IP65;IP67
12、防爆標志:本安型ExiallCT4;隔爆型ExdllCT4
13、表頭顯示:累積流量;瞬時流量;滿量程百分比;工況壓力;工況溫度;故障自檢
14、連接方式:管道法蘭式(DN15-300mm);插入式(DN100- N6000mm至更大)。
15、安裝要求:可水平、垂直安裝;前后直管道應滿足前10D后5D(D公稱通徑)
16、特殊連接:螺紋式;對夾式;
大口徑測量高爐煤氣流量計產品型譜
大口徑測量高爐煤氣流量計安裝條件
1、工作條件
傳感器可在2下正常連續工作
2、環境條件
2.1環境溫度:-40~+55℃ (非防爆場所)
2.2環境濕度:≤85%(相對濕度)
2.3大氣壓力:86~106Kpa
3、安裝指南:
a)傳感器安裝在管道上的位置一定要選振動小的地方,振動加速度不能大于0.2g,如大于需要采取減震措施。
b)傳感器的上游側和下游側必須有足夠的直管段見示意圖。
c)對于卡裝連接儀表,法蘭焊后必須保證法蘭的端面與管道垂直,內表面光滑,見圖。
d)傳感器可水平、垂直或傾斜安裝在直管上,當垂直安裝測液體時,液體必須由下而上流動。
e)當在渦街流量傳感器同壓力傳感器和溫度傳感器組成測量系統時,其壓力、溫度測量點的位置如圖。
f)渦街流量傳感器安裝步驟可參考方法A或方法B(以法蘭卡裝型為例):
方法A:
Ⅰ選定安裝位置,并取前15DN,后5DN直管段割下。
Ⅱ在選表位置焊上兩片法蘭,并將傳感器裝好。
Ⅲ去掉原管多出的直管(即表體寬度)。
Ⅳ將傳感器的前后直管段焊到原工藝管道上。
方法B:
Ⅰ考慮前15DN,后5DN選定裝表位置。
Ⅱ取下表體寬度的一段管,焊上兩片法蘭連接孔同心,將傳感器螺栓緊固好。

大口徑測量高爐煤氣流量計分類




大口徑測量高爐煤氣流量計的配線設計
一. 輸出頻率信號的三線制配線設計
輸出頻率信號的三線制流量傳感器采用DC24V或DC12V電源供電,一般通過三芯屏蔽電纜線(RWP3×0.5mm)與顯示儀表或計算機相連,屏蔽層應可靠地接到放大器殼的接地螺絲上。屏蔽電纜線的選擇應適合現場環境要求,另外屏蔽電纜線要與其它強功率電力線分離,不能平行走線。傳感器端子接線見圖

二.輸出標準4~20mA電流信號的兩線制配線設計
輸出標準4~20mA電流信號的兩線制變送器采用DC24V電源供電,一般通過兩芯屏蔽電纜線(RWP3×0.5mm)與顯示儀表或計算機相連,屏蔽層應可靠地接到放大器殼的接地螺絲上。屏蔽電纜線的選擇應適合現場環境要求,另外屏蔽電纜線要與其它強功率電力線分離,不能平行走線。變送器端子接線見圖

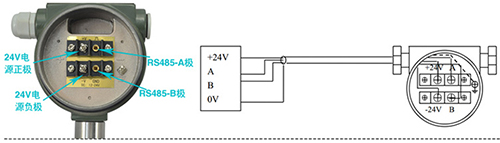
三.帶RS-485通訊接口功能的配線設計
帶RS-485通訊功能的渦街流量計采用DC24V電源供電,與其它設備之間采用四線制傳輸方式。儀表端子接線見圖
渦街流量計主要用于工業管道介質流體的流量測量,如氣體、液體、蒸氣等多種介質。無可動機械零件,因此可靠性高,維護量小。儀表參數能長期穩定。渦街流量計采用壓電應力式傳感器,可靠性高,可在-20℃~+250℃的工作溫度范圍內工作。
渦街流量計是基于卡門渦街原理而研制成功的一種具有國際先進水平的新型流量計。由于它具有其它流量計不可兼得的優點,自七十年代以來得到了迅速發展,據有關資料顯示已廣泛應用于各個領域。將在未來流量儀表中占主導地位,是孔板流量計*理想的替代產品。
渦街流量傳感器適用于測量過熱蒸汽、飽和蒸汽、壓縮空氣和一般氣體、水和液體的質量流量和體積流量。

大口徑測量高爐煤氣流量計的產品特點
1、安裝簡便,維護十分方便;
2、結構簡單牢固,無可動部件,長期運行十分可靠;
3、量程范圍寬,量程比可達1:15;
4、壓力損失小,運行費用低,更具節能意義;
5、應用范圍廣,液體、氣體、蒸汽均可測量;
6、檢定周期長,一般為兩年;
7、在一定雷諾數范圍內,輸出信號不受被測介質物理性質和組分變化的影響,儀表系數僅與旋渦發生體的形狀和尺寸有關,調換配件后一般無須重新標定儀表系數;
8、可現場顯示,也可遠距離傳輸,還可與計算機控制系統聯網;
9、檢測探頭不直接接觸被測介質,性能更穩定。
10、壓力損失小,量程范圍大,精度高,在測量工況體積流量時幾乎不受流體密度、壓力、溫度、粘度等參數的影響;
11、無可動機械零件,因此可靠性高,維護量小;
12、采用壓電應力式傳感器,儀表參數能長期穩定,可在-20℃~+250℃的工作溫度范圍內工作;
13、有模擬標準信號,也有數字脈沖信號輸出,容易與計算機等數字系統配套使用,是一種比較先進、理想的流量儀表。

大口徑測量高爐煤氣流量計參數
1、產品名稱:渦街流量計
2、適用介質:空氣,氧氣,氮氣,氫氣,壓縮氣體的流量計量
3、管徑(DN) :DN15~DN300mm至更大
4、公稱壓力:0.6~4MPa (指連接法蘭公稱壓力,非介質的工作壓力)
5、工況溫度:-20~+80℃(需更高溫度請與工廠聯系)
6、測量精度:±1.5%FS
7、量程范圍:1:3(±0.2%) ,1:10(±0.5%), 1:15(±1.5%)
8、殼體材質:碳鋼;不銹鋼;
9、供電方式:內置3.6VDC鋰電池(可用兩年);外供24VDC;
10、輸出信號:4~20mA二線制;脈沖0~1000HZ;RS485
11、防護等級:IP65;IP67
12、防爆標志:本安型ExiallCT4;隔爆型ExdllCT4
13、表頭顯示:累積流量;瞬時流量;滿量程百分比;工況壓力;工況溫度;故障自檢
14、連接方式:管道法蘭式(DN15-300mm);插入式(DN100- N6000mm至更大)。
15、安裝要求:可水平、垂直安裝;前后直管道應滿足前10D后5D(D公稱通徑)
16、特殊連接:螺紋式;對夾式;
大口徑測量高爐煤氣流量計產品型譜
| 型 譜 | 說 明 | ||||
| KMLUGB | 渦街流量儀表 | ||||
| 檢測 | B | 壓電式傳感器 | |||
| 方式 | E | 電容式傳感器 | |||
| 通徑 | DN | 15~1000 | 單位:mm | ||
| 連接方式 | 1 | 僅對滿管型 | 法蘭連接型 | ||
| 2 | 僅對滿管型 | 法蘭卡裝型 | |||
| 3 | 僅對插入型 | 簡易插入型 | |||
| 4 | 僅對插入型 | 球閥插入型 | |||
| 測量介質 | 2 | 液體 | |||
| 3 | 氣體 | ||||
| 4 | 蒸汽 | ||||
| 使用環境 | P | 普通型 | |||
| B | 防爆型 | ||||
| 輸出信號 | 1 | 脈沖輸出 | |||
| 2 |
24V,4~20mA電流輸出 液晶顯示 |
||||
| 3 | RS-485通訊 | ||||
| 4 | 電池供電,不帶補償 | ||||
| 5 |
溫壓補償一體, 24V,4~20mA電流輸出型 |
||||
| 6 | 溫壓補償一體,電池供電型 | ||||
| 選型 | 例如: HPLUGB-DN5024P6 滿管型壓電式渦街流量儀表,通徑DN50,法蘭卡裝 | ||||
| 說明 | 型連接,介質為蒸汽,溫壓補償一體,24V,4~20mA電流信號輸出,液晶顯示 | ||||
大口徑測量高爐煤氣流量計安裝條件
1、工作條件
傳感器可在2下正常連續工作
2、環境條件
2.1環境溫度:-40~+55℃ (非防爆場所)
2.2環境濕度:≤85%(相對濕度)
2.3大氣壓力:86~106Kpa
3、安裝指南:
a)傳感器安裝在管道上的位置一定要選振動小的地方,振動加速度不能大于0.2g,如大于需要采取減震措施。
b)傳感器的上游側和下游側必須有足夠的直管段見示意圖。
c)對于卡裝連接儀表,法蘭焊后必須保證法蘭的端面與管道垂直,內表面光滑,見圖。
d)傳感器可水平、垂直或傾斜安裝在直管上,當垂直安裝測液體時,液體必須由下而上流動。
e)當在渦街流量傳感器同壓力傳感器和溫度傳感器組成測量系統時,其壓力、溫度測量點的位置如圖。
f)渦街流量傳感器安裝步驟可參考方法A或方法B(以法蘭卡裝型為例):
方法A:
Ⅰ選定安裝位置,并取前15DN,后5DN直管段割下。
Ⅱ在選表位置焊上兩片法蘭,并將傳感器裝好。
Ⅲ去掉原管多出的直管(即表體寬度)。
Ⅳ將傳感器的前后直管段焊到原工藝管道上。
方法B:
Ⅰ考慮前15DN,后5DN選定裝表位置。
Ⅱ取下表體寬度的一段管,焊上兩片法蘭連接孔同心,將傳感器螺栓緊固好。

大口徑測量高爐煤氣流量計分類




大口徑測量高爐煤氣流量計的配線設計
一. 輸出頻率信號的三線制配線設計
輸出頻率信號的三線制流量傳感器采用DC24V或DC12V電源供電,一般通過三芯屏蔽電纜線(RWP3×0.5mm)與顯示儀表或計算機相連,屏蔽層應可靠地接到放大器殼的接地螺絲上。屏蔽電纜線的選擇應適合現場環境要求,另外屏蔽電纜線要與其它強功率電力線分離,不能平行走線。傳感器端子接線見圖

二.輸出標準4~20mA電流信號的兩線制配線設計
輸出標準4~20mA電流信號的兩線制變送器采用DC24V電源供電,一般通過兩芯屏蔽電纜線(RWP3×0.5mm)與顯示儀表或計算機相連,屏蔽層應可靠地接到放大器殼的接地螺絲上。屏蔽電纜線的選擇應適合現場環境要求,另外屏蔽電纜線要與其它強功率電力線分離,不能平行走線。變送器端子接線見圖

三.帶RS-485通訊接口功能的配線設計
帶RS-485通訊功能的渦街流量計采用DC24V電源供電,與其它設備之間采用四線制傳輸方式。儀表端子接線見圖
上一篇:測焦爐煤氣流量計


