蒸汽流量表,高壓蒸汽用什么流量計
點擊次數:2257 發布時間:2021-01-07 15:26:58
蒸汽流量表概述

蒸汽流量表的主要特點
1、儀表整體結構設計合理,動態測量范圍寬,壓力損失小;
2、儀表主體可采用不銹鋼材質制造,適用于腐蝕性介質的測量;
3、渦街流量計無可動部件,安裝維護簡單;
4、現場液晶顯示,脈沖、4~20mA 輸出或485 串行通訊接口,可與工業自動化系統連接;
5、電氣接口:內螺紋 M20×1.5;
6、防爆等級標志:iaIICT2~T6;
7、防護等級:IP65;
8、供電電源:內置電源(3.6V 電池),外供電源12VDC、24VDC;
9、測量介質*高溫度:350℃;
10、工作環境溫度:-30℃~+55℃;(壓力補償時為0℃~+55℃)
11、工作壓力:1.6MPa、2.5MPa、4MPa、6 MPa、10MPa、16MPa、20MPa、25MPa、30MPa、40MPa;
12、準確度:0.5 級、1.0 級、1.5 級。
13、公稱通徑:
卡裝式渦街流量計:DN10、DN15、DN20、DN25、DN32、DN40、DN50、DN65、DN80、DN100、DN125、DN150、DN200、DN250、DN300;
插入式渦街流量計:DN350、DN400、DN450、DN500、DN550、DN600、DN700、DN800、DN900、DN1000 等;
法蘭式渦街流量計:DN15、DN20、DN25、DN32、DN40、DN50、DN65、DN80、DN100、DN125、DN150、DN200、DN250、DN300。
14、規格:
1)螺紋式、卡裝式、法蘭式:DN10~DN32。
2)卡裝式、法蘭式:DN40~DN300。
3)插入式:DN350~DN1000。

蒸汽流量表參數
1、測量介質:氣體、液體、蒸汽
2、連接方式:法蘭卡裝式、法蘭式、插入式
3、口徑規格:法蘭卡裝式口徑選擇 25,32,50,80,100
4、法蘭連接式口徑選擇:100,150,200
5、流量測量范圍:正常測量流速范圍 雷諾數1.5×104~4×106;氣體5~50m/s;液體0.5~7m/s;
6、測量精度:1.0級 1.5級
7、被測介質溫度:常溫–25℃~100℃,高溫–25℃~150℃ -25℃~250℃
8、輸出信號:脈沖電壓輸出信號 高電平8~10V 低電平0.7~1.3V
9、脈沖占空比約50%,傳輸距離為100m
10、脈沖電流遠傳信號:4~20 mA,傳輸距離為1000m
11、儀表使用環境 溫度:-25℃~+55℃ 濕度:5~90% RH50℃
12、材質:不銹鋼, 鋁合金
13、電源:DC24V或鋰電池3.6V
14、防爆等級:本安型iaIIbT3-T6,
15、防護等級:IP65
蒸汽流量表安裝尺寸

蒸汽流量表的配線設計
一. 輸出頻率信號的三線制渦街流量計配線設計
輸出頻率信號的三線制流量傳感器采用DC24V或DC12V電源供電,一般通過三芯屏蔽電纜線(RWP3×0.5mm)與顯示儀表或計算機相連,屏蔽層應可靠地接到放大器殼的接地螺絲上。屏蔽電纜線的選擇應適合現場環境要求,另外屏蔽電纜線要與其它強功率電力線分離,不能平行走線。傳感器端子接線見圖

二.輸出標準4~20mA電流信號的兩線制渦街流量計配線設計
輸出標準4~20mA電流信號的兩線制變送器采用DC24V電源供電,一般通過兩芯屏蔽電纜線(RWP3×0.5mm)與顯示儀表或計算機相連,屏蔽層應可靠地接到放大器殼的接地螺絲上。屏蔽電纜線的選擇應適合現場環境要求,另外屏蔽電纜線要與其它強功率電力線分離,不能平行走線。變送器端子接線見圖

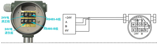
三.帶RS-485通訊接口功能的渦街流量計配線設計
帶RS-485通訊功能的渦街流量計采用DC24V電源供電,與其它設備之間采用四線制傳輸方式。儀表端子接線見圖

蒸汽流量表的安裝
安裝說明
(1)渦街流量計盡量安裝在遠離振動源和電磁干擾較強的地方,振動存在的地方必須采用減振裝置,減少管道受振動的影響。
(2)直管段的配置,前后直管段要滿足渦街流量計的要求,所配管道內徑也必須和渦街流量變送器內徑一致。
(3)安裝示意圖

注意事項
盡量減少管道內汽錘對渦街發生體的沖擊。振動較大而又無法消除時,不宜采用渦街流量計。
調試說明
1、接上信號線、電源線
2、開啟進口、出口閥門,進出口閥門開度要一致
3、打開不銹鋼三閥組平衡閥,緩慢開啟孔板高低壓端的閥門,待流體通過流量計后關閉不銹鋼三閥組平衡閥即可。
安裝管道條件:
(1)節流件前后的直管段必須是直的,不得有肉眼可見的彎曲。
(2)安裝節流件用得直管段應該是光滑的,如不光滑,流量系數應乘以粗糙度修正稀疏。
(3)為保證流體的流動在節流件前1D出形成充分發展的紊流速度分布,而且使這種分布成均勻的軸對稱形,所以
1)直管段必須是圓的,而且對節流件前2D范圍,其圓度要求其甚為嚴格,并且有一定的圓度指標。具體衡量方法:
(A)節流件前OD,D/2,D,2D4個垂直管截面上,以大至相等的角距離至少分別測量4個管道內徑單測值,取平均值D。任意內徑單測量值與平均值之差不得超過±0.3%
(B)在節流件后,在OD和2D位置用上述方法測得8個內徑單測值,任意單測值與D比較,其*大偏差不得超過±2%
2)節流件前后要求一段足夠長的直管段,這段足夠長的直管段和節流件前的局部阻力件形式有關和直徑比β有關。
(4)節流件上游側*一阻力件和*二阻力件之間的直管段長度可按*二阻力件的形式和β=0.7(不論實際β值是多少)取所列數值的1/2
(5)節流件上游側為敞開空間或直徑≥2D大容器時,則敞開空間或大容器與節流件之間的直管長不得小于30D(15D)。若節流件和敞開空間或大容器之間尚有其它局部阻力件時,則除在節流件與局部阻力件之間設有附合規定的*小直管段長1外,從敞開空間到節流件之間的直管段總長也不得小于30D(15D)。

蒸汽流量表的工作原理
渦街流量計是由設計在流場中的旋渦發生體、檢測探頭及相應的電子線路等組成。當流體流經旋渦發生體時,它的兩側就形成了交替變化的兩排旋渦,這種旋渦被稱為卡門渦街。斯特羅哈爾在卡門渦街理論的基礎上又提出了卡門渦街的頻率與流體的流速成正比,并給出了頻率與流速的關系式:
f = St × V/d
式中:f 渦街發生頻率 (Hz)
V旋渦發生體兩側的平均流速(m/s )
St 斯特羅哈爾系數(常數)

這些交替變化的旋渦就形成了一系列交替變化的負壓力,該壓力作用在檢測探頭上,便產生一系列交變電信號,經過前置放大器轉換、整形、放大處理后,輸出與旋渦同步成正比的脈沖頻率信號或標準信號。
在流體管道中,垂直插入—個柱形阻擋物,在其后部(相對于流體流向)兩側就會交替地產生旋渦。隨著流體向下游流動形成旋渦列,我們稱之為卡門渦街。我們把產生旋渦的柱形阻擋物定義為旋渦發生體在一定條件下旋渦的分離頻率與流體的流速成線性關系。因而,只要檢測出旋渦分離的頻率,即可計算出管道內流體的流速或流量。
蒸汽流量表選型說明
正確的選用渦街流量計是保證用好渦街流量計的前提條件,需要考慮重要因素:通經(DN)、安裝方式、介質溫度、輸出信號、介質種類
注意事項
1、在流量計上下游提供足夠的直管段并確保非彎曲的對稱外形。盡可能在儀表下游安裝閥門。
2、豎直安裝通常是優先選擇的,向上游動的流體能確保儀表總是滿管,且介質中的成分能夠均勻分布。
3、在易于振動的長管路中進行安裝時,應在流量計的上下游安裝消除器。
4、對于氣的應用,儀表安裝應避免安裝在U形彎底部,避免因吸收冷凝而在開車時導致的水錘現象,水錘的強度導致傳感機構過分受力,致使傳感器永久損壞。
5、面對如此眾多品種的渦街流量計,對于一般用戶選型成了一個難題。如何科學地、客觀地選出*好的渦街流量計是需要關注的一個問題。我們認為選型應當遵循適當的規則,盡量避免廠商的誤導宣傳,為自己找到一種恰到好處的渦街流量計,它就是自己的理想流量計。
選型可按五個方面進行:渦街流量計性能方面、流體特性方面、安裝條件方面、環境條件方面和經濟因素方面。各方面的考慮因素如下:
1.流量計性能方面:精確度、重復性、線性度、范圍度、壓力損失、上下限流量、信號輸出特性、響應時間等;
2.流量計流體特性方面:流體壓力、溫度、密度、粘度、潤滑性、化學性質、磨損、腐蝕、結垢、臟污、氣體壓縮系數、等熵指數、比熱容、電導率、聲速、混相流、脈動流等;
3.流量計安裝條件方面:管道布置方向、流動方向、上下游管道長度、管道口徑、維護空間、管道振動、接地、電源、輔屬設備(過濾、排污)、防爆等;
4.流量計經濟因素方面:購置費、安裝費、維修費、校驗費、使用壽命、運行費(能耗)、備品備件等。
1、具有精度高、抗振動、抗干擾、維護方便的特點,適合于各種使用蒸汽、氣體工況下的流量計量。
2、傳感器和流量顯示儀及補償方式合稱為, 則為渦街流量計的典型代表。
3、傳感器是利用卡門渦街原理和現代電子技術而設計制造的一種具有高度可靠性、優良的技術性能指標、良好的介質適應性和通用性的新型流量儀表。
渦街流量計由法蘭卡裝式流量傳感器和顯示儀表組成。法蘭卡裝式流量計將專用法蘭焊接在工藝管道上,然后用螺栓、螺母將儀表固定在兩個法蘭之間。安裝簡單便捷,成本低。本公司提供專用法蘭,不需另行購買安裝法蘭。
渦街流量計與現場顯示儀組合后,成為智能一體化流量計,分別用于飽和蒸汽流量計量、過熱蒸汽流量計量、各種化學氣體流量計量和各種液體流量計量。

蒸汽流量表的主要特點
1、儀表整體結構設計合理,動態測量范圍寬,壓力損失小;
2、儀表主體可采用不銹鋼材質制造,適用于腐蝕性介質的測量;
3、渦街流量計無可動部件,安裝維護簡單;
4、現場液晶顯示,脈沖、4~20mA 輸出或485 串行通訊接口,可與工業自動化系統連接;
5、電氣接口:內螺紋 M20×1.5;
6、防爆等級標志:iaIICT2~T6;
7、防護等級:IP65;
8、供電電源:內置電源(3.6V 電池),外供電源12VDC、24VDC;
9、測量介質*高溫度:350℃;
10、工作環境溫度:-30℃~+55℃;(壓力補償時為0℃~+55℃)
11、工作壓力:1.6MPa、2.5MPa、4MPa、6 MPa、10MPa、16MPa、20MPa、25MPa、30MPa、40MPa;
12、準確度:0.5 級、1.0 級、1.5 級。
13、公稱通徑:
卡裝式渦街流量計:DN10、DN15、DN20、DN25、DN32、DN40、DN50、DN65、DN80、DN100、DN125、DN150、DN200、DN250、DN300;
插入式渦街流量計:DN350、DN400、DN450、DN500、DN550、DN600、DN700、DN800、DN900、DN1000 等;
法蘭式渦街流量計:DN15、DN20、DN25、DN32、DN40、DN50、DN65、DN80、DN100、DN125、DN150、DN200、DN250、DN300。
14、規格:
1)螺紋式、卡裝式、法蘭式:DN10~DN32。
2)卡裝式、法蘭式:DN40~DN300。
3)插入式:DN350~DN1000。

蒸汽流量表參數
1、測量介質:氣體、液體、蒸汽
2、連接方式:法蘭卡裝式、法蘭式、插入式
3、口徑規格:法蘭卡裝式口徑選擇 25,32,50,80,100
4、法蘭連接式口徑選擇:100,150,200
5、流量測量范圍:正常測量流速范圍 雷諾數1.5×104~4×106;氣體5~50m/s;液體0.5~7m/s;
6、測量精度:1.0級 1.5級
7、被測介質溫度:常溫–25℃~100℃,高溫–25℃~150℃ -25℃~250℃
8、輸出信號:脈沖電壓輸出信號 高電平8~10V 低電平0.7~1.3V
9、脈沖占空比約50%,傳輸距離為100m
10、脈沖電流遠傳信號:4~20 mA,傳輸距離為1000m
11、儀表使用環境 溫度:-25℃~+55℃ 濕度:5~90% RH50℃
12、材質:不銹鋼, 鋁合金
13、電源:DC24V或鋰電池3.6V
14、防爆等級:本安型iaIIbT3-T6,
15、防護等級:IP65
蒸汽流量表安裝尺寸

蒸汽流量表的配線設計
一. 輸出頻率信號的三線制渦街流量計配線設計
輸出頻率信號的三線制流量傳感器采用DC24V或DC12V電源供電,一般通過三芯屏蔽電纜線(RWP3×0.5mm)與顯示儀表或計算機相連,屏蔽層應可靠地接到放大器殼的接地螺絲上。屏蔽電纜線的選擇應適合現場環境要求,另外屏蔽電纜線要與其它強功率電力線分離,不能平行走線。傳感器端子接線見圖

二.輸出標準4~20mA電流信號的兩線制渦街流量計配線設計
輸出標準4~20mA電流信號的兩線制變送器采用DC24V電源供電,一般通過兩芯屏蔽電纜線(RWP3×0.5mm)與顯示儀表或計算機相連,屏蔽層應可靠地接到放大器殼的接地螺絲上。屏蔽電纜線的選擇應適合現場環境要求,另外屏蔽電纜線要與其它強功率電力線分離,不能平行走線。變送器端子接線見圖

三.帶RS-485通訊接口功能的渦街流量計配線設計
帶RS-485通訊功能的渦街流量計采用DC24V電源供電,與其它設備之間采用四線制傳輸方式。儀表端子接線見圖

蒸汽流量表的安裝
安裝說明
(1)渦街流量計盡量安裝在遠離振動源和電磁干擾較強的地方,振動存在的地方必須采用減振裝置,減少管道受振動的影響。
(2)直管段的配置,前后直管段要滿足渦街流量計的要求,所配管道內徑也必須和渦街流量變送器內徑一致。
(3)安裝示意圖

注意事項
盡量減少管道內汽錘對渦街發生體的沖擊。振動較大而又無法消除時,不宜采用渦街流量計。
調試說明
1、接上信號線、電源線
2、開啟進口、出口閥門,進出口閥門開度要一致
3、打開不銹鋼三閥組平衡閥,緩慢開啟孔板高低壓端的閥門,待流體通過流量計后關閉不銹鋼三閥組平衡閥即可。
安裝管道條件:
(1)節流件前后的直管段必須是直的,不得有肉眼可見的彎曲。
(2)安裝節流件用得直管段應該是光滑的,如不光滑,流量系數應乘以粗糙度修正稀疏。
(3)為保證流體的流動在節流件前1D出形成充分發展的紊流速度分布,而且使這種分布成均勻的軸對稱形,所以
1)直管段必須是圓的,而且對節流件前2D范圍,其圓度要求其甚為嚴格,并且有一定的圓度指標。具體衡量方法:
(A)節流件前OD,D/2,D,2D4個垂直管截面上,以大至相等的角距離至少分別測量4個管道內徑單測值,取平均值D。任意內徑單測量值與平均值之差不得超過±0.3%
(B)在節流件后,在OD和2D位置用上述方法測得8個內徑單測值,任意單測值與D比較,其*大偏差不得超過±2%
2)節流件前后要求一段足夠長的直管段,這段足夠長的直管段和節流件前的局部阻力件形式有關和直徑比β有關。
(4)節流件上游側*一阻力件和*二阻力件之間的直管段長度可按*二阻力件的形式和β=0.7(不論實際β值是多少)取所列數值的1/2
(5)節流件上游側為敞開空間或直徑≥2D大容器時,則敞開空間或大容器與節流件之間的直管長不得小于30D(15D)。若節流件和敞開空間或大容器之間尚有其它局部阻力件時,則除在節流件與局部阻力件之間設有附合規定的*小直管段長1外,從敞開空間到節流件之間的直管段總長也不得小于30D(15D)。

蒸汽流量表的工作原理
渦街流量計是由設計在流場中的旋渦發生體、檢測探頭及相應的電子線路等組成。當流體流經旋渦發生體時,它的兩側就形成了交替變化的兩排旋渦,這種旋渦被稱為卡門渦街。斯特羅哈爾在卡門渦街理論的基礎上又提出了卡門渦街的頻率與流體的流速成正比,并給出了頻率與流速的關系式:
f = St × V/d
式中:f 渦街發生頻率 (Hz)
V旋渦發生體兩側的平均流速(m/s )
St 斯特羅哈爾系數(常數)

這些交替變化的旋渦就形成了一系列交替變化的負壓力,該壓力作用在檢測探頭上,便產生一系列交變電信號,經過前置放大器轉換、整形、放大處理后,輸出與旋渦同步成正比的脈沖頻率信號或標準信號。
在流體管道中,垂直插入—個柱形阻擋物,在其后部(相對于流體流向)兩側就會交替地產生旋渦。隨著流體向下游流動形成旋渦列,我們稱之為卡門渦街。我們把產生旋渦的柱形阻擋物定義為旋渦發生體在一定條件下旋渦的分離頻率與流體的流速成線性關系。因而,只要檢測出旋渦分離的頻率,即可計算出管道內流體的流速或流量。
蒸汽流量表選型說明
正確的選用渦街流量計是保證用好渦街流量計的前提條件,需要考慮重要因素:通經(DN)、安裝方式、介質溫度、輸出信號、介質種類
注意事項
1、在流量計上下游提供足夠的直管段并確保非彎曲的對稱外形。盡可能在儀表下游安裝閥門。
2、豎直安裝通常是優先選擇的,向上游動的流體能確保儀表總是滿管,且介質中的成分能夠均勻分布。
3、在易于振動的長管路中進行安裝時,應在流量計的上下游安裝消除器。
4、對于氣的應用,儀表安裝應避免安裝在U形彎底部,避免因吸收冷凝而在開車時導致的水錘現象,水錘的強度導致傳感機構過分受力,致使傳感器永久損壞。
5、面對如此眾多品種的渦街流量計,對于一般用戶選型成了一個難題。如何科學地、客觀地選出*好的渦街流量計是需要關注的一個問題。我們認為選型應當遵循適當的規則,盡量避免廠商的誤導宣傳,為自己找到一種恰到好處的渦街流量計,它就是自己的理想流量計。
選型可按五個方面進行:渦街流量計性能方面、流體特性方面、安裝條件方面、環境條件方面和經濟因素方面。各方面的考慮因素如下:
1.流量計性能方面:精確度、重復性、線性度、范圍度、壓力損失、上下限流量、信號輸出特性、響應時間等;
2.流量計流體特性方面:流體壓力、溫度、密度、粘度、潤滑性、化學性質、磨損、腐蝕、結垢、臟污、氣體壓縮系數、等熵指數、比熱容、電導率、聲速、混相流、脈動流等;
3.流量計安裝條件方面:管道布置方向、流動方向、上下游管道長度、管道口徑、維護空間、管道振動、接地、電源、輔屬設備(過濾、排污)、防爆等;
4.流量計經濟因素方面:購置費、安裝費、維修費、校驗費、使用壽命、運行費(能耗)、備品備件等。
|
代號 |
通徑 | 流量范圍㎡/h | |||||
| LUGB-25 | DN25 | 1~12(液體) | 10~100(氣體) | ||||
| LUGB-32 | DN32 | 1.5~23(液體) | 15~150(氣體) | ||||
| LUGB-40 | DN40 | 2.4~32(液體) | 22.6~150(氣體) | ||||
| LUGB-50 | DN50 | 4~50(液體) | 35~350(氣體) | ||||
| LUGB-65 | DN65 | 6.3~184(液體) | 60~600(氣體) | ||||
| LUGB-80 | DN80 | 10~130(液體) | 90~900(氣體) | 注:1.蒸汽流量請查看表3 | |||
| LUGB-100 | DN100 | 20~200(液體) | 140~1400(氣體) | 2.DN250~DN600可按客戶要求訂貨 | |||
| LUGB-125 | DN125 | 31~310(液體) | 220~1450(氣體) | 3.DN300以上口徑推薦使用插入式渦街流量計可定制 | |||
| LUGB-150 | DN150 | 45~450(液體) | 300~3000(氣體) | ||||
| LUGB-200 | DN200 | 80~800(液體) | 550~5500(氣體) | ||||
| LUGB-250 | DN250 | 150~1500(液體) | 880~8800(氣體) | ||||
| LUGB-300 | DN300 | 200~2000(液體) | 1300~13000(氣體) | ||||
| LUGB-300 | DN300 | 100~1500(液體) | 1560~15600(氣體) | ||||
| LUGB-400 | DN400 | 180~3000(液體) | 2750~27000(氣體) | ||||
| LUGB-500 | DN500 | 300~4500(液體) | 4300~43000(氣體) | ||||
| LUGB-600 | DN600 | 450~6500(液體) | 6100~61000(氣體) | ||||
| LUGB-800 | DN800 | 750~10000(液體) | 11000~110000(氣體) | ||||
| LUGB-1000 | DN1000 | 1200~1700(液體) | 17000~170000(氣體) | ||||
| 代號 | 功能1 | ||||||
| N | 無溫壓補償 | ||||||
| Y | 有溫壓補償 | ||||||
| 代號 | 輸出型號 | ||||||
| F1 | 4-20mA輸出(二線制) | ||||||
| F2 | 4-20mA輸出(三線制) | ||||||
| F3 | RS485通訊接口 | ||||||
| F4 | 頻率輸出 | ||||||
| 代號 | 被測介質 | ||||||
| J1 | 液體 | ||||||
| J2 | 氣體 | ||||||
| J3 | 蒸汽 | ||||||
| 代號 | 連接方式 | ||||||
| L1 | 法蘭卡裝式 | ||||||
| L2 | 法蘭連接式 | ||||||
| L3 | 插入式 | ||||||
| 代號 | 功能2 | ||||||
| E1 | 1.0級 | ||||||
| E2 | 1.5級 | ||||||
| T1 | 常溫 | ||||||
| T2 | 高溫 | ||||||
| T3 | 蒸汽 | ||||||
| P1 | 1.6MPa | ||||||
| P2 | 2.5MPa | ||||||
| P3 | 4.0MPa | ||||||
| D1 | 內部3.6V供電 | ||||||
| D2 | DC24V供電 | ||||||
| B1 | 不銹鋼 | ||||||
| B2 | 碳鋼 | ||||||
2、傳感器和流量顯示儀及補償方式合稱為, 則為渦街流量計的典型代表。
3、傳感器是利用卡門渦街原理和現代電子技術而設計制造的一種具有高度可靠性、優良的技術性能指標、良好的介質適應性和通用性的新型流量儀表。
下一篇:丙烷氣體流量表,丙烷用什么流量計


