
遠傳渦街流量計
- 品*:JKM/凱銘儀表
- 型號:JKM-LUGB
- 測量范圍:5-11000m3/h
- 精度等級:1.5級、1.0級
- 公稱通徑:DN20~DN1200
- 適用介質:氣體、液體、蒸汽
- 工作壓力:1.6MPa~10MPa
- 工作溫度:-80℃~450℃
- 供電方式:24VDC或鋰電池
- 訂貨號:VPG134998SAF
遠傳渦街流量計的種類和適用范圍
1.LUGB系列滿管型壓電式渦街流量儀表
2.LUGB系列插入型壓電式渦街流量儀表
3.LUGE系列滿管型電容式渦街流量儀表
4.LUGE系列插入型電容式渦街流量儀表
5.LUGB/E系列電池供電型渦街流量儀表
6.潛水型/分體型渦街流量儀表(協議訂貨)
7.多功能曲線紀錄積算儀,帶P/T補償功能、中文液晶顯示
8.智能流量積算儀,數碼管顯示
遠傳渦街流量計廣泛適用于石油、化工、冶金、熱力、紡織、造紙等行業對過熱蒸汽、飽和蒸汽、壓縮空氣(壓縮空氣流量計)和一般氣體(氧氣、氮氣氫氣、天然氣、煤氣等) 、水和液體(如:水、汽油、酒精、苯類等)的計量和控制。
法蘭標準:GB/T9119-2000和GB/T9113.2-2000法蘭標準和材質也可以根據客戶的具體要求來定。
本體材質:304不銹鋼。
檢測傳感器材料:316L
液晶顯示:流里計配備高精度液晶顯示屏,雙排液晶、8位數字顯示,能顯示累積流里、目舜時流里、流速、通訊地址和輸出20mA對應的大流量(可以任意設定)及流向指示。

遠傳渦街流量計產品優勢
1、不受溫度、壓力的影響,同時不易堵,不易卡,不易結垢,耐高溫、高壓。
2、安全防爆,適用于惡劣環境。
3、無可動部件、無空洞縫隙設計,產品無磨損、耐臟污,無需機械維修,使用壽命長。
4、采用微功耗高新技術,電池供電的現場顯示型流量計,可不斷電運行兩年以上。
5、電流輸出均為電隔離型,具有良好的共模干擾抑制能力。
6、同時顯示流量值與累計流量值,不必輪流切換。
7、采用抗振探頭,有效消除外界振動影響。
8、電路采用表面貼裝工藝,結構緊湊,可靠性高。
9、采用分體式信號轉換器,電纜*長10米。
10、量程比寬達20:1。

遠傳渦街流量計的工作原理
在流體中設置非流線型旋渦發生體(阻流體),則從旋渦發生體兩側交替地產生兩列有規則的旋渦,這種旋渦稱為卡曼渦街,如圖(一)所示。

旋渦列在旋渦發生體下游非對稱地排列。設旋渦的發生頻率為f,被測介質來流的平均速度為V,旋渦發生體迎流面寬度為d,表體通徑為D,根據卡曼渦街原理,有如下關系式:
f=StV/d 公式(1)
式中:
f-發生體一側產生的卡門旋渦頻率
St-斯特羅哈爾數(無量綱數)
V-流體的平均流速
d-旋渦發生體的寬度
由此可見,通過測量卡門渦街分離頻率便可算出瞬時流量。其中,斯特羅哈爾數(St)是無因次未知數,
圖(二)表示斯特羅哈爾數(St)與雷諾數(Re)的關系。

在曲線表中St=0.17的平直部分,漩渦的釋放頻率與流速成正比,即為渦街流量傳感器測量范圍度。只要檢測出頻率f就可以求得管內流體的流速,由流速V求出體積流量。所測得的脈沖數與體積量之比,稱為儀表常數(K),見式(2)
K=N/Q(1/m3) 公式(2)
式中:K=儀表常數(1/m3)。
N=脈沖個數
Q=體積流量(m3)
遠傳渦街流量計流量范圍表

遠傳渦街流量計外形尺寸對照表


遠傳渦街流量計基本參數

遠傳渦街流量計選型

遠傳渦街流量計的配線設計
一. 輸出頻率信號的三線制渦街流量儀表配線設計
輸出頻率信號的三線制流量傳感器采用DC24V或DC12V電源供電,一般通過三芯屏蔽電纜線(RWP3×0.5mm)與顯示儀表或計算機相連,屏蔽層應可靠地接到放大器殼的接地螺絲上。屏蔽電纜線的選擇應適合現場環境要求,另外屏蔽電纜線要與其它強功率電力線分離,不能平行走線。傳感器端子接線見圖

二.輸出標準4~20mA電流信號的兩線制渦街流量儀表配線設計
輸出標準4~20mA電流信號的兩線制變送器采用DC24V電源供電,一般通過兩芯屏蔽電纜線(RWP3×0.5mm)與顯示儀表或計算機相連,屏蔽層應可靠地接到放大器殼的接地螺絲上。屏蔽電纜線的選擇應適合現場環境要求,另外屏蔽電纜線要與其它強功率電力線分離,不能平行走線。變送器端子接線見圖

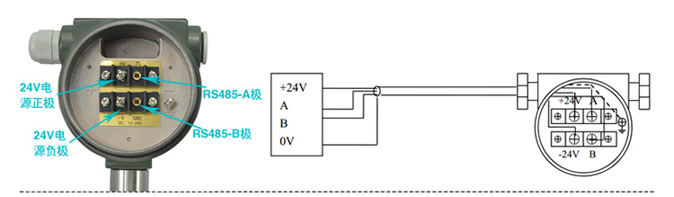
三.帶RS-485通訊接口功能的渦街流量儀表配線設計
帶RS-485通訊功能的渦街流量儀表采用DC24V電源供電,與其它設備之間采用四線制傳輸方式。儀表端子接線見圖



